Toyota Corolla Cross Owners & Service Manuals

Toyota Corolla Cross: Cylinder 1 Injector "A" Circuit Open (P020113-P020413,P062D13)

Toyota Corolla Cross (2022-2025) Service Manual / Engine & Hybrid System / M20a-fxs (engine Control) / Sfi System / Cylinder 1 Injector "A" Circuit Open (P020113-P020413,P062D13)

DESCRIPTION

The D-4S system has two fuel injection systems. One is an in-cylinder direct injection system that directly injects pressurized fuel into the combustion chamber. The other is an intake port injection system. The ECM determines which fuel injection system to use in accordance with the engine conditions. The direct injection system uses an injector driver (EDU) built into the ECM to rapidly operate the direct fuel injector assemblies. It converts injection request signals from the ECM to high-voltage and high-current injector-drive signals that drive the direct fuel injector assemblies.

DTC No.

Detection Item

DTC Detection Condition

Trouble Area

MIL

Note

P020113

Cylinder 1 Injector "A" Circuit Open

One of following conditions is met (1 trip detection logic):

  • Short to +B in direct fuel injector assembly (No. 1 cylinder) circuit for 40 times or more.
  • Open or short to ground in direct fuel injector assembly (No. 1 cylinder) circuit for 20 times or more.
  • Direct fuel injector assembly (No. 1 cylinder) circuit current reaches the high limit for 20 times or more.
  • Open or short in direct fuel injector assembly (No. 1 cylinder) circuit
  • Direct fuel injector assembly (No. 1 cylinder)
  • D INJ relay
  • ECM

Comes on

  • SAE Code: P0201
  • DTC for Mexico Models: Applies

P020213

Cylinder 2 Injector "A" Circuit Open

One of following conditions is met (1 trip detection logic):

  • Short to +B in direct fuel injector assembly (No. 2 cylinder) circuit for 40 times or more.
  • Open or short to ground in direct fuel injector assembly (No. 2 cylinder) circuit for 20 times or more.
  • Direct fuel injector assembly (No. 2 cylinder) circuit current reaches the high limit for 20 times or more.
  • Open or short in direct fuel injector assembly (No. 2 cylinder) circuit
  • Direct fuel injector assembly (No. 2 cylinder)
  • D INJ relay
  • ECM

Comes on

  • SAE Code: P0202
  • DTC for Mexico Models: Applies

P020313

Cylinder 3 Injector "A" Circuit Open

One of following conditions is met (1 trip detection logic):

  • Short to +B in direct fuel injector assembly (No. 3 cylinder) circuit for 40 times or more.
  • Open or short to ground in direct fuel injector assembly (No. 3 cylinder) circuit for 20 times or more.
  • Direct fuel injector assembly (No. 3 cylinder) circuit current reaches the high limit for 20 times or more.
  • Open or short in direct fuel injector assembly (No. 3 cylinder) circuit
  • Direct fuel injector assembly (No. 3 cylinder)
  • D INJ relay
  • ECM

Comes on

  • SAE Code: P0203
  • DTC for Mexico Models: Applies

P020413

Cylinder 4 Injector "A" Circuit Open

One of following conditions is met (1 trip detection logic):

  • Short to +B in direct fuel injector assembly (No. 4 cylinder) circuit for 40 times or more.
  • Open or short to ground in direct fuel injector assembly (No. 4 cylinder) circuit for 20 times or more.
  • Direct fuel injector assembly (No. 4 cylinder) circuit current reaches the high limit for 20 times or more.
  • Open or short in direct fuel injector assembly (No. 4 cylinder) circuit
  • Direct fuel injector assembly (No. 4 cylinder)
  • D INJ relay
  • ECM

Comes on

  • SAE Code: P0204
  • DTC for Mexico Models: Applies

P062D13

Fuel Injector Driver Circuit Performance Bank 1 Circuit Open

Open or short in direct fuel injector assembly (all cylinders) circuits for 60 times or more (1 trip detection logic).

  • Open or short in direct fuel injector assembly circuit
  • Direct fuel injector assembly
  • D INJ relay
  • ECM

Comes on

  • SAE Code: P062D
  • DTC for Mexico Models: Applies

MONITOR DESCRIPTION

The fuel injection sequence occurs in numerical order from No. 1 to No. 4.

The ECM monitors the Injector Driver (EDU) at all times. If drivers or direct fuel injector assembly is malfunctioning, the EDU sends direct fuel injector assembly operation condition signals (fail signals) to the ECM. When the ECM receives the signals, the ECM stops the fuel injection control of the appropriate cylinders, cuts voltage to the appropriate D INJ relay, and illuminates the MIL.

MONITOR STRATEGY

Related DTCs

P0201: Injector circuit open (cylinder 1)

P0202: Injector circuit open (cylinder 2)

P0203: Injector circuit open (cylinder 3)

P0204: Injector circuit open (cylinder 4)

P062D: Injector driver performance

Required Sensors/Components (Main)

Direct fuel injector assembly

ECM (injector driver)

Required Sensors/Components (Related)

-

Frequency of Operation

Continuous

Duration

-

MIL Operation

Immediate

Sequence of Operation

None

TYPICAL ENABLING CONDITIONS

P0201, P0202, P0203 and P0204

All of the following conditions are met

-

Confirmed injection

2 times or more

Either of the following conditions is met

A or B

A. All of the following conditions are met

(a), (b) and (c)

(a) Starter

Off

(b) Auxiliary battery voltage

10.5 V or higher

(c) Time after condition (b) is met

0.5 seconds or more

B. All of the following conditions are met

(d), (e) and (f)

(d) Starter

On

(e) Auxiliary battery voltage

8 V or higher

(f) Time after condition (e) is met

0.5 seconds or more

Engine speed

100 to 6000 rpm

Injection time

0.00023 seconds or more

Injector driver relay

On

Fuel injector driver performance fail (P062D)

Not detected

The other injector of the same INJECTOR DRIVER FAIL SIGNAL

Not operating

Ignition switch

ON

Time after ignition switch off to ON

0.5 seconds or more

P062D

Monitor runs whenever the following DTCs are not stored

None

All of the following conditions are met

-

Confirmed injection

2 times or more

Either of the following conditions is met

A or B

A. All of the following conditions are met

(a), (b) and (c)

(a) Starter

Off

(b) Auxiliary battery voltage

10.5 V or higher

(c) Time after condition (b) is met

0.5 seconds or more

B. All of the following conditions are met

(d), (e) and (f)

(d) Starter

On

(e) Auxiliary battery voltage

8 V or higher

(f) Time after condition (e) is met

0.5 seconds or more

Engine speed

100 to 6000 rpm

Injection time

0.00023 seconds or more

Injector driver relay

On

The other injector of the same INJECTOR DRIVER FAIL SIGNAL

Not operating

Ignition switch

ON

Time after ignition switch off to ON

0.5 seconds or more

TYPICAL MALFUNCTION THRESHOLDS

P0201, P0202, P0203 and P0204

One of the following conditions is met

A, B or C

A. No confirmed injection signal input

20 times or more

B. Both of the following conditions are met

40 times or more

Current injector voltage for the same INJECTOR DRIVER FAIL SIGNAL* detected by injector driver IC

4.8 V or higher

Last injector voltage for the same INJECTOR DRIVER FAIL SIGNAL* detected by injector driver IC

4.8 V or higher

C. Either of the following conditions is met

(a) or (b)

(a) Both of the following conditions are met

20 times or more

Current injector driver MOSFET current detected by injector driver IC

30 A or more

Last injector driver MOSFET current detected by injector driver IC

30 A or more

(b) Both of the following conditions are met

1 and 2

1. Either of the following conditions is met

20 times or more

Current injector current during peak current control for the same INJECTOR DRIVER FAIL SIGNAL* detected by injector driver IC

125 A or more

Current injector current during hold current control for the same INJECTOR DRIVER FAIL SIGNAL* detected by injector driver IC

100 A or more

2. Either of the following conditions is met

20 times or more

Last injector current during peak current control for the same INJECTOR DRIVER FAIL SIGNAL* detected by injector driver IC

125 A or more

Last injector current during hold current control for the same INJECTOR DRIVER FAIL SIGNAL* detected by injector driver IC

100 A or more

P062D

No confirmed injection signal input in all cylinders

60 times or more

*: Definition of the INJECTOR DRIVER FAIL SIGNAL

-

INJECTOR DRIVER FAIL SIGNAL 1

#1 and #4

INJECTOR DRIVER FAIL SIGNAL 2

#2 and #3

CONFIRMATION DRIVING PATTERN

HINT:

  • After repair has been completed, clear the DTC and then check that the vehicle has returned to normal by performing the following All Readiness check procedure.

    Click here

  • When clearing the permanent DTCs, refer to the "CLEAR PERMANENT DTC" procedure.

    Click here

  1. Connect the GTS to the DLC3.
  2. Turn the ignition switch to ON.
  3. Turn the GTS on.
  4. Clear the DTCs (even if no DTCs are stored, perform the clear DTC procedure).
  5. Turn the ignition switch off and wait for at least 30 seconds.
  6. Turn the ignition switch to ON.
  7. Turn the GTS on.
  8. Put the engine in Inspection Mode (Maintenance Mode).

    Click here

  9. Start the engine [A].
  10. Idle the engine for 15 seconds or more [B].
  11. Enter the following menus: Powertrain / Engine / Trouble Codes [C].
  12. Read the pending DTCs.

    HINT:

    • If a pending DTC is output, the system is malfunctioning.
    • If a pending DTC is not output, perform the following procedure.
  13. Enter the following menus: Powertrain / Engine / Utility / All Readiness.
  14. Input the DTC: P020113, P020213, P020313, P020413 or P062D13.
  15. Check the DTC judgment result.

    GTS Display

    Description

    NORMAL

    • DTC judgment completed
    • System normal

    ABNORMAL

    • DTC judgment completed
    • System abnormal

    INCOMPLETE

    • DTC judgment not completed
    • Perform driving pattern after confirming DTC enabling conditions

    HINT:

    • If the judgment result is NORMAL, the system is normal.
    • If the judgment result is ABNORMAL, the system has a malfunction.
    • If the judgment result is INCOMPLETE, perform steps [B] through [C] again.
    • [A] to [C]: Normal judgment procedure.

      The normal judgment procedure is used to complete DTC judgment and also used when clearing permanent DTCs.

    • When clearing the permanent DTCs, do not disconnect the cable from the auxiliary battery terminal or attempt to clear the DTCs during this procedure, as doing so will clear the universal trip and normal judgment histories.

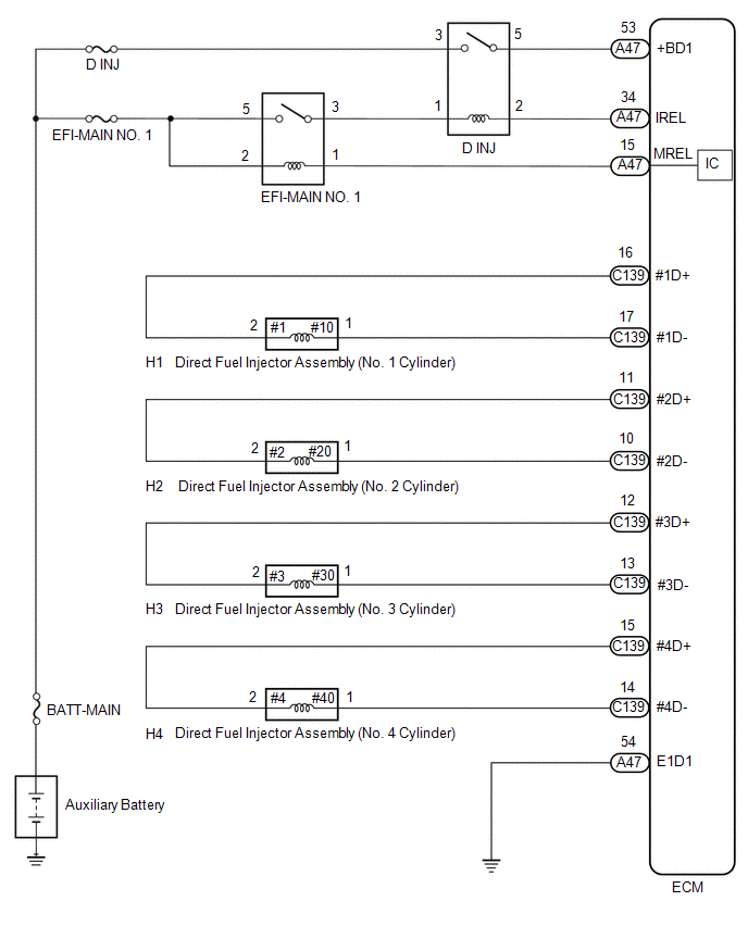
WIRING DIAGRAM

CAUTION / NOTICE / HINT

NOTICE:

  • Inspect the fuses for circuits related to this system before performing the following procedure.
  • Vehicle Control History may be stored in the hybrid vehicle control ECU assembly if the engine is malfunctioning. Certain vehicle condition information is recorded when Vehicle Control History is stored. Reading the vehicle conditions recorded in both the freeze frame data and Vehicle Control History can be useful for troubleshooting.

    Click here

    (Select Powertrain in Health Check and then check the time stamp data.)

  • If any "Engine Malfunction" Vehicle Control History item has been stored in the hybrid vehicle control ECU assembly, make sure to clear it. However, as all Vehicle Control History items are cleared simultaneously, if any Vehicle Control History items other than "Engine Malfunction" are stored, make sure to perform any troubleshooting for them before clearing Vehicle Control History.

    Click here

HINT:

  • If the current from the D INJ relay is cut because DTC P062D13 is stored, DTC P123513 will be stored even if the fuel pump assembly (for high pressure side) is normal.
  • Read Freeze Frame Data using the GTS. The ECM records vehicle and driving condition information as Freeze Frame Data the moment a DTC is stored. When troubleshooting, Freeze Frame Data can help determine if the vehicle was moving or stationary, if the engine was warmed up or not, if the air fuel ratio was lean or rich, and other data from the time the malfunction occurred.

PROCEDURE

1.

CHECK DTC OUTPUT (DTC P020113, P020213, P020313, P020413 AND/OR P062D13)

(a) Read the DTCs.

Powertrain > Engine > Trouble Codes

Result

Proceed to

DTC P020113, P020213, P020313 or P020413 is output

A

3 or more of the following DTCs are output: P062D13, P020113, P020213, P020313 and P020413

B

DTC P062D13 is output

B

GO TO STEP 4

A

2.

CHECK HARNESS AND CONNECTOR

(a) Disconnect the ECM connector.

(b) Measure the resistance according to the value(s) in the table below.

Standard Resistance:

Tester Connection

Condition

Specified Condition

C139-16 (#1D+) - C139-17 (#1D-)

20°C (68°F)

1.34 to 1.64 Ω

C139-11 (#2D+) - C139-10 (#2D-)

20°C (68°F)

1.34 to 1.64 Ω

C139-12 (#3D+) - C139-13 (#3D-)

20°C (68°F)

1.34 to 1.64 Ω

C139-15 (#4D+) - C139-14 (#4D-)

20°C (68°F)

1.34 to 1.64 Ω

C139-16 (#1D+) or C139-17 (#1D-) - Body ground and other terminals

Always

1 MΩ or higher

C139-11 (#2D+) or C139-10 (#2D-) - Body ground and other terminals

Always

1 MΩ or higher

C139-12 (#3D+) or C139-13 (#3D-) - Body ground and other terminals

Always

1 MΩ or higher

C139-15 (#4D+) or C139-14 (#4D-) - Body ground and other terminals

Always

1 MΩ or higher

HINT:

The standard values shown are direct fuel injector assembly resistance values.

OK

REPLACE ECM

NG

3.

INSPECT DIRECT FUEL INJECTOR ASSEMBLY (RESISTANCE)

(a) Check the resistance of the direct fuel injector assembly.

Click here

HINT:

Perform "Inspection After Repair" after replacing the direct fuel injector assembly.

Click here

OK

REPAIR OR REPLACE HARNESS OR CONNECTOR (DIRECT FUEL INJECTOR ASSEMBLY - ECM)

NG

REPLACE DIRECT FUEL INJECTOR ASSEMBLY

4.

INSPECT D INJ RELAY

Click here

NG

REPLACE D INJ RELAY

OK

5.

CHECK TERMINAL VOLTAGE (POWER SOURCE OF D INJ RELAY)

(a) Remove the D INJ relay from the No. 1 engine room relay block.

(b) Measure the voltage according to the value(s) in the table below.

Standard Voltage:

Tester Connection

Condition

Specified Condition

3 (D INJ relay) - Body ground

Always

11 to 14 V

NG

REPAIR OR REPLACE HARNESS OR CONNECTOR (AUXILIARY BATTERY - D INJ RELAY)

OK

6.

CHECK TERMINAL VOLTAGE (POWER SOURCE OF D INJ RELAY)

(a) Remove the D INJ relay from the No. 1 engine room relay block.

(b) Turn the ignition switch to ON.

(c) Measure the voltage according to the value(s) in the table below.

Standard Voltage:

Tester Connection

Condition

Specified Condition

1 (D INJ relay) - Body ground

Ignition switch ON

11 to 14 V

NG

REPAIR OR REPLACE HARNESS OR CONNECTOR (EFI-MAIN NO. 1 RELAY - D INJ RELAY)

OK

7.

CHECK HARNESS AND CONNECTOR (D INJ RELAY - ECM)

(a) Remove the D INJ relay from the No. 1 engine room relay block.

(b) Disconnect the ECM connector.

(c) Measure the resistance according to the value(s) in the table below.

Standard Resistance:

Tester Connection

Condition

Specified Condition

5 (D INJ relay - A47-53 (+BD1)

Always

Below 1 Ω

2 (D INJ relay) - A47-34 (IREL)

Always

Below 1 Ω

5 (D INJ relay) or A47-53 (+BD1) - Body ground and other terminals

Always

10 kΩ or higher

2 (D INJ relay) or A47-34 (IREL) - Body ground and other terminals

Always

10 kΩ or higher

OK

REPLACE ECM

NG

REPAIR OR REPLACE HARNESS OR CONNECTOR

    READ NEXT:

     Throttle/Pedal Position Sensor/Switch "B" Circuit Short to Ground (P022011)

    DESCRIPTION Refer to DTC P012011. Click here DTC No. Detection Item DTC Detection Condition Trouble Area MIL Note P022011 Throttle/Pedal Position Sensor/Switch "B"

     Throttle/Pedal Position Sensor/Switch "B" Circuit Short to Battery or Open (P022015)

    DESCRIPTION Refer to DTC P012011. Click here DTC No. Detection Item DTC Detection Condition Trouble Area MIL Note P022015 Throttle/Pedal Position Sensor/Switch "B"

     Cylinder 1 Injector Circuit Range/Performance (P02EE00,P02EF00,P02F000,P02F100)

    DESCRIPTION By using Partial Lift Fuel Injection Control to spray fuel before the needle inside each direct fuel injector assembly has fully opened, the injection of fuel by the direct fuel injector a

    SEE MORE:

     Throttle/Pedal Position Sensor/Switch "D" Circuit Short to Battery (P212012)

    DESCRIPTION HINT: These DTCs relate to the accelerator pedal position sensor. The accelerator pedal position sensor is built into the accelerator pedal sensor assembly and has 2 sensor circuits: VPA (main) and VPA2 (sub). This sensor is a non-contact type sensor and uses Hall-effect elements in or

     Relay

    On-vehicle InspectionON-VEHICLE INSPECTION PROCEDURE 1. INSPECT HEADLIGHT RELAY LH (a) Check the operation of the headlight relay LH. (1) Measure the resistance according to the value(s) in the table below. Standard Resistance: Tester Connection Condition Specified Condition

    © 2020-2025 Copyright www.tcorollacross.com PT NL