Toyota Corolla Cross Owners & Service Manuals

Toyota Corolla Cross: On-vehicle Inspection

ON-VEHICLE INSPECTION

CAUTION / NOTICE / HINT

CAUTION:

Do not remove the reserve tank cap and air release valve while the engine and radiator assembly are still hot. Pressurized, hot engine coolant and steam may be released and cause serious burns.

PROCEDURE

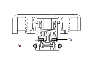
1. INSPECT RESERVE TANK CAP

CAUTION:

Do not remove the reserve tank cap and air release valve while the engine and radiator assembly are still hot. Pressurized, hot engine coolant and steam may be released and cause serious burns.

(a) Measure the valve opening pressure.

*a

O-ring

*b

Rubber Packing

(1) If there are water stains or foreign matter on the O-ring, clean it with water and finger scouring.

(2) Check that the O-ring is not deformed, cracked or swollen.

(3) Apply engine coolant to the O-ring and rubber packing before using a radiator cap tester.

(4) Install the radiator cap tester to the reserve tank cap.

(5) When using the radiator cap tester, tilt it upwards 30° or more.

*1

Reserve Tank Cap

*a

Radiator Cap Tester

*b

30° or more

(6) Pump the radiator cap tester several times, and check the maximum pressure.

Pump Speed:

1 pump per second

Item

Specified Condition

Standard pressure

(for brand-new reserve tank cap)

93 to 123 kPa (0.9 to 1.3 kgf/cm2, 13.5 to 18.0 psi)

Minimum pressure

(for used reserve tank cap)

79 kPa (0.8 kgf/cm2, 11.5 psi)

HINT:

Even if the reserve tank cap cannot maintain the maximum pressure, it is not a defect.

If the maximum pressure is less than the minimum pressure, replace the reserve tank cap.

(7) Remove the radiator cap tester from the reserve tank cap.

    READ NEXT:

     Removal

    REMOVAL CAUTION / NOTICE / HINT COMPONENTS (REMOVAL) Procedure Part Name Code 1 FAN WITH MOTOR ASSEMBLY - - - - 2 INLET HYBRID RADIATOR

     Installation

    INSTALLATION CAUTION / NOTICE / HINT COMPONENTS (INSTALLATION) Procedure Part Name Code 1 RADIATOR DRAIN COCK PLUG 16400B - - 2

     Relay

    On-vehicle InspectionON-VEHICLE INSPECTION PROCEDURE 1. INSPECT FAN NO. 1 RELAY (a) Measure the resistance according to the value(s) in the table below. Standard Resistance: Tester

    SEE MORE:

     Brake System Control Module "A" System Voltage Line Internal Electronic Failure (C117A49,C137BA2)

    DESCRIPTION If a malfunction is detected in the power supply circuit, the skid control ECU (brake actuator assembly) stores this DTC and the fail-safe function prohibits ABS operation. This DTC is stored when the +BS terminal voltage meets one of the DTC detection conditions due to a malfunc

     Brake Pedal Switch "A" Circuit Open (C004013)

    DESCRIPTION The brake pedal load sensing switch (brake pedal support assembly) turns on when the brake pedal is depressed with a force exceeding a predetermined level. The skid control ECU (brake actuator assembly) uses this circuit to detect if the brake pedal is depressed or not.

    © 2020-2025 Copyright www.tcorollacross.com PT NL