Toyota Corolla Cross Owners & Service Manuals

Toyota Corolla Cross: Turn Signal Switch Circuit

DESCRIPTION

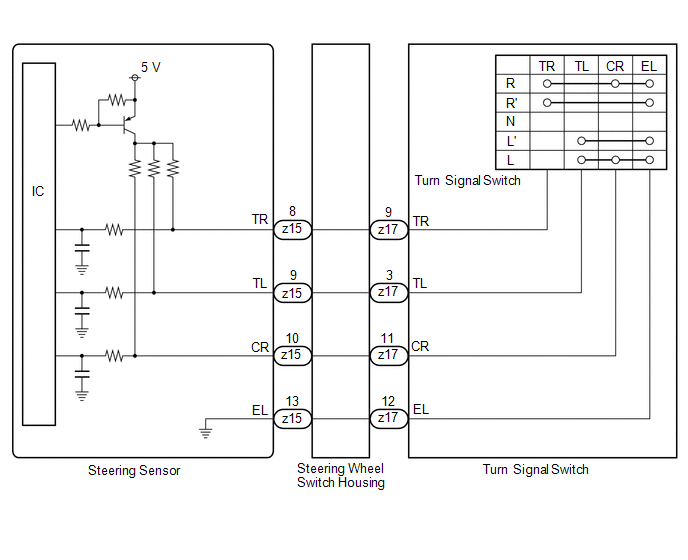
The steering sensor receives the turn signal switch information and controls the turn signal lights.

WIRING DIAGRAM

PROCEDURE

1.

READ VALUE USING GTS

(a) Read the Data List according to the display on the GTS.

Chassis > Steering Angle Sensor > Data List

Tester Display

Measurement Item

Range

Normal Condition

Diagnostic Note

Turn Signal Switch (Right)

Turn signal switch (right) signal

OFF or ON

OFF: Turn signal switch not in right turn position

ON: Turn signal switch in right turn position

-

Turn Signal Switch (Left)

Turn signal switch (left) signal

OFF or ON

OFF: Turn signal switch not in left turn position

ON: Turn signal switch in left turn position

-

Cornering Light/Front Side Illuminate Light Switch

Turn signal switch (full turn) signal

OFF or ON

OFF: Turn signal switch not in left or right turn position

ON: Turn signal switch in left or right full turn position

-

Chassis > Steering Angle Sensor > Data List

Tester Display

Turn Signal Switch (Right)

Turn Signal Switch (Left)

Cornering Light/Front Side Illuminate Light Switch

OK:

Normal conditions listed above are displayed.

OK

PROCEED TO NEXT SUSPECTED AREA SHOWN IN PROBLEM SYMPTOMS TABLE

NG

2.

INSPECT TURN SIGNAL SWITCH

Click here

NG

REPLACE TURN SIGNAL SWITCH

OK

3.

INSPECT STEERING WHEEL SWITCH HOUSING

Click here

OK

REPLACE STEERING SENSOR

NG

REPLACE STEERING WHEEL SWITCH HOUSING

    READ NEXT:

     Headlight Dimmer Switch Circuit

    DESCRIPTION The steering sensor receives the following switch information: Light control switch in DRL OFF*1, TAIL, HEAD, AUTO position Dimmer switch in high, low or high flash (pass) position

     Daytime Running Light Circuit

    DESCRIPTION The main body ECU (multiplex network body ECU) controls the daytime running lights. WIRING DIAGRAM for LED Type Parking Light for Bulb Type Parking Light CAUTION / NOTICE / HINT NOTIC

     Front Fog Light Circuit

    DESCRIPTION The main body ECU (multiplex network body ECU) controls the front fog lights. WIRING DIAGRAM CAUTION / NOTICE / HINT NOTICE: Before replacing the main body ECU (multiplex network body

    SEE MORE:

     Engine does not Start

    DESCRIPTION When the electrical key transmitter sub-assembly is in the cabin and the engine switch is pressed, the certification ECU (smart key ECU assembly) receives a signal and changes the power source mode. Additionally, when the shift lever is in P and the brake pedal is depressed, the engine c

     Suggestion function (if equipped)

    Displays suggestions to the driver in the following situations. To select a response to a displayed suggestion, use the meter control switches. ■ Suggestion to enable the power back door (if equipped) If the power back door system is disabled (setting on set to off) and the power back door switc

    © 2020-2025 Copyright www.tcorollacross.com PT NL