Toyota Corolla Cross Owners & Service Manuals

Toyota Corolla Cross: Crankshaft Position Sensor "A" Algorithm Based Failure (P033506,P033562)

Toyota Corolla Cross (2022-2025) Service Manual / Engine & Hybrid System / Hybrid / Battery Control / Motor Generator Control System / Crankshaft Position Sensor "A" Algorithm Based Failure (P033506,P033562)

DESCRIPTION

The motor generator control ECU (MG ECU) (built into the inverter with converter assembly) compares the engine speed value calculated based on the crankshaft position signal input from the ECM versus the engine speed value received from the ECM via CAN communication, and when it has frequently judged that the engine speed is high and the deviation between the engine speed values is large, it will store DTC P033506 or P033562.

DTC No.

Detection Item

DTC Detection Condition

Trouble Area

MIL

Warning Indicate

Note

P033506

Crankshaft Position Sensor "A" Algorithm Based Failure

When the engine is running, the deviation between the engine speed calculated based on the crankshaft position signal and the engine speed received via CAN communication exceeds the specified value for 1.5 seconds or more.

(2 trip detection logic)

  • SFI system
  • Inverter with converter assembly
  • ECM
  • Wire harness or connector

Comes on

Master Warning:

Comes on

SAE Code:

P0336

P033562

Crankshaft Position Sensor "A" Signal Compare Failure

When the engine is running, the deviation between the engine speed calculated based on the crankshaft position signal and the engine speed received via CAN communication exceeds the specified value for 1.5 seconds or more.

(2 trip detection logic)

  • SFI system
  • Inverter with converter assembly
  • ECM
  • Wire harness or connector

Comes on

Master Warning:

Comes on

SAE Code:

P0336

MONITOR DESCRIPTION

Calculated engine speed is calculated from the time interval of crankshaft position signals. Fail counter is counted up when difference between engine speed and calculated engine speed is over the criteria. Malfunction is detected when fail counter value is over the criteria.

MONITOR STRATEGY

Related DTCs

P0336 (INF P033506/P033562): Crankshaft Position Sensor "A" Circuit Range/Performance

Required sensors/components

Crankshaft position sensor

Frequency of operation

Engine running

Duration

1.5 seconds or more

MIL operation

2 driving cycles

Sequence of operation

None

TYPICAL ENABLING CONDITIONS

The monitor will run whenever the following DTCs are not stored

TMC's intellectual property

Other conditions belong to TMC's intellectual property

-

TYPICAL MALFUNCTION THRESHOLDS

TMC's intellectual property

-

COMPONENT OPERATING RANGE

Motor generator control ECU

DTC P0336 (INF P033506/P033562) is not detected

CONFIRMATION DRIVING PATTERN

HINT:

  • After repair has been completed, clear the DTC and then check that the vehicle has returned to normal by performing the following All Readiness check procedure.

    Click here

  • When clearing the permanent DTCs, refer to the "CLEAR PERMANENT DTC" procedure.

    Click here

  1. Clear the DTCs (even if no DTCs are stored, perform the clear DTC procedure).
  2. Turn the ignition switch off and wait for 2 minutes or more.
  3. Turn the ignition switch to ON (IG) and wait for 5 seconds or more.
  4. Turn the ignition switch to ON (READY) and wait for 5 seconds or more.
  5. Depress the accelerator pedal to start the engine.
  6. Keep the engine running for 20 seconds.
  7. Enter the following menus: Powertrain / Motor Generator / Utility / All Readiness.
  8. Check the DTC judgment result.

    HINT:

    • If the judgment result shows NORMAL, the system is normal.
    • If the judgment result shows ABNORMAL, the system has a malfunction.
    • If the judgment result shows INCOMPLETE, perform driving pattern again.

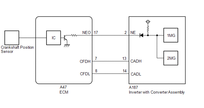
WIRING DIAGRAM

CAUTION / NOTICE / HINT

CAUTION:

Refer to the precautions before inspecting high voltage circuit.

Click here

NOTICE:

  • After the ignition switch is turned off, there may be a waiting time before disconnecting the negative (-) auxiliary battery terminal.

    Click here

  • When disconnecting and reconnecting the auxiliary battery.

    HINT:

    When disconnecting and reconnecting the auxiliary battery, there is an automatic learning function that completes learning when the respective system is used.

    Click here

PROCEDURE

1.

CHECK DTC OUTPUT (HEALTH CHECK)

(a) According to the display on the GTS, select "Health Check".

(b) Check for DTCs.

Result

Proceed to

No DTCs are output.

A

DTCs are output.

B

(c) Turn the ignition switch off.

B

GO TO DTC CHART

A

2.

CHECK CONNECTOR CONNECTION CONDITION (ECM CONNECTOR)

(a) Check the connector connections and contact pressure of the relevant terminals for the ECM connectors.

Click here

NOTICE:

Before disconnecting the connector, confirm that it is properly connected by checking that the locking claws are engaged and that the connector cannot be pulled off.

OK:

- The connector is connected securely.

- The terminals are not deformed and are connected securely.

- No water or foreign matter in the connector.

Result

Proceed to

OK

A

NG (The connector is not connected securely.)

B

NG (The terminals are not making secure contact or are deformed, or water or foreign matter exists in the connector.)

C

HINT:

When connecting each connector, connect it with the lock lever raised. Rotate the lock lever downward and make sure that the connector is securely connected. When the lock lever is fully lowered, a click will be heard as its claw engages. After the click is heard, pull up on the connector to confirm that it is securely connected.

B

CONNECT SECURELY

C

REPAIR OR REPLACE HARNESS OR CONNECTOR

A

3.

CHECK CONNECTOR CONNECTION CONDITION (INVERTER WITH CONVERTER ASSEMBLY CONNECTOR)

CAUTION:

Be sure to wear insulated gloves.

(a) Check that the service plug grip is not installed.

NOTICE:

After removing the service plug grip, do not turn the ignition switch to ON (READY), unless instructed by the repair manual because this may cause a malfunction.

(b) Check the connection condition of the low voltage connectors of the inverter with converter assembly and the contact pressure of each terminal. Check the terminals for deformation, and the connector for water and foreign matter.

Click here

NOTICE:

Before disconnecting the connector, confirm that it is properly connected by checking that the claws of the lock levers are engaged and that the connector cannot be pulled off.

OK:

- The connector is connected securely.

- The terminals are not deformed and are connected securely.

- No water or foreign matter in the connector.

Result:

Result

Proceed to

OK

A

NG (The connector is not connected securely.)

B

NG (The terminals are not making secure contact or are deformed, or water or foreign matter exists in the connector.)

C

HINT:

When connecting the connector, connect it with the lock levers raised. Rotate each lock lever downward and make sure that the connector is securely connected. When a lock lever is fully lowered, a click will be heard as its claw engages. After the click is heard, pull up on the connector to confirm that it is securely connected.

B

CONNECT SECURELY

C

REPAIR OR REPLACE HARNESS OR CONNECTOR

A

4.

CHECK HARNESS AND CONNECTOR (INVERTER WITH CONVERTER ASSEMBLY - ECM)

CAUTION:

Be sure to wear insulated gloves.

(a) Check that the service plug grip is not installed.

NOTICE:

After removing the service plug grip, do not turn the ignition switch to ON (READY), unless instructed by the repair manual because this may cause a malfunction.

(b) Disconnect the inverter with converter assembly connector.

(c) Disconnect the ECM connector.

(d) Turn the ignition switch off.

(e) Measure the resistance according to the value(s) in the table below.

Standard Resistance (Check for Open):

Tester Connection

Condition

Specified Condition

A187-2 (NE) - A47-17 (NEO)

Ignition switch off

Below 1 Ω

A187-13 (CADH) - A47-7 (CFDH)

Ignition switch off

Below 1 Ω

A187-14 (CADL) - A47-8 (CFDL)

Ignition switch off

Below 1 Ω

Standard Resistance (Check for Short):

Tester Connection

Condition

Specified Condition

A187-2 (NE) or A47-17 (NEO) - Body ground and other terminals

Ignition switch off

10 kΩ or higher

A187-13 (CADH) or A47-7 (CFDH) - Body ground and other terminals

Ignition switch off

10 kΩ or higher

A187-14 (CADL) or A47-8 (CFDL) - Body ground and other terminals

Ignition switch off

10 kΩ or higher

(f) Reconnect the ECM connector.

(g) Reconnect the inverter with converter assembly connector.

NG

REPAIR OR REPLACE HARNESS OR CONNECTOR

OK

5.

CHECK INVERTER WITH CONVERTER ASSEMBLY (NE SIGNAL)

(a) Disconnect the ECM connector.

(b) Turn the ignition switch to ON.

(c) Measure the voltage according to the value(s) in the table below.

Standard Voltage:

Tester Connection

Condition

Specified Condition

A47-17 (NEO) - Body ground

Ignition switch ON

11 to 14 V

(d) Turn the ignition switch off.

(e) Reconnect the ECM connector.

NG

REPLACE INVERTER WITH CONVERTER ASSEMBLY

OK

6.

CHECK INVERTER WITH CONVERTER ASSEMBLY (CAN COMMUNICATION LINE)

(a) Disconnect the ECM connector.

(b) Measure the resistance according to the value(s) in the table below.

Standard Resistance:

Tester Connection

Condition

Specified Condition

A47-7 (CFDH) - A47-8 (CFDL)

Ignition switch off

80 to 170 Ω

(c) Reconnect the ECM connector.

OK

REPLACE ECM

NG

REPLACE INVERTER WITH CONVERTER ASSEMBLY

    READ NEXT:

     Crankshaft Position Sensor "A" Circuit Voltage Below Threshold (P033516,P033517,P033523,P033524)

    DESCRIPTION If the crankshaft position signal pulse sent from the ECM via a direct line is abnormal, the motor generator control ECU (MG ECU) (built into the inverter with converter assembly) stores D

     Camshaft Position Sensor "A" Circuit Bank 1 or Single Sensor Algorithm Based Failure (P034006,P034062)

    DESCRIPTION The motor generator control ECU (MG ECU) (built into the inverter with converter assembly) compares the engine speed value calculated based on the camshaft position signal input from the E

     Camshaft Position Sensor "A" Circuit Bank 1 or Single Sensor Circuit Voltage Below Threshold (P034016,P034017,P034023,P034024)

    DESCRIPTION If the cam position signal pulse sent from the ECM via a direct line is abnormal, the motor generator control ECU (MG ECU) (built into the inverter with converter assembly) stores DTC P034

    SEE MORE:

     Internal Control Module Software Incompatibility Not Programmed (U030051,U030057)

    DESCRIPTION for Gasoline Model: Forward recognition camera receives Powertrain Information from ECM via CAN communication line. If the forward recognition camera cannot confirm the Powertrain Information based on Powertrain Information sent from ECM, the forward recognition camer

     "C" Camshaft Position Actuator Bank 1 Circuit Short to Ground (P136411,P136415)

    DESCRIPTION Refer to DTC P001001. Click here DTC No. Detection Item DTC Detection Condition Trouble Area MIL Note P136411 "C" Camshaft Position Actuator Bank 1 Circuit Short to Ground While engine is running, short in VTM terminal of cam timing control motor

    © 2020-2025 Copyright www.tcorollacross.com PT NL