Toyota Corolla Cross Owners & Service Manuals

Toyota Corolla Cross: ABS Malfunction (C1296)

DESCRIPTION

When a malfunction has occurred in the speed sensor circuit or the yaw rate and acceleration sensor circuit, the 4WD ECU assembly stores DTC C1296.

DTC No.

Detection Item

DTC Detection Condition

Trouble Area

C1296

ABS Malfunction

  • A speed sensor malfunction signal was received from the skid control ECU (brake actuator assembly).
  • A yaw rate and acceleration sensor (airbag ECU assembly) malfunction signal was received from the skid control ECU (brake actuator assembly).
  • Electronically controlled brake system (speed sensor circuit)
  • Skid control ECU (brake actuator assembly)
  • Yaw rate and acceleration sensor (airbag ECU assembly) circuit
  • 4WD ECU assembly

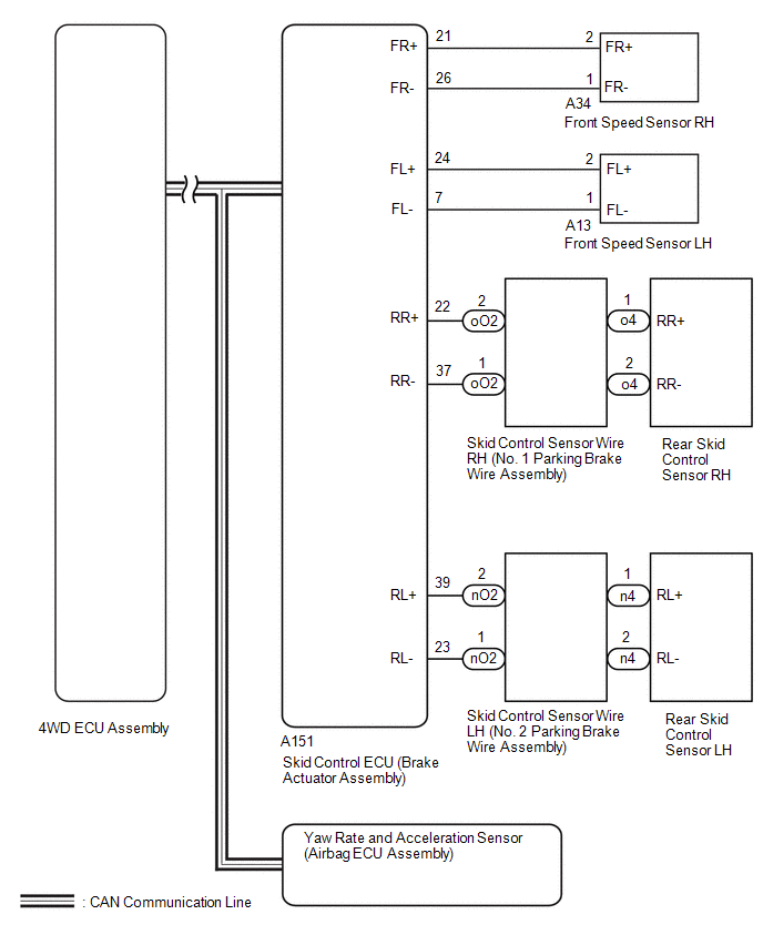
WIRING DIAGRAM

PROCEDURE

1.

CHECK FOR DTC (ELECTRONICALLY CONTROLLED BRAKE SYSTEM)

(a) Clear the DTC.

Chassis > Brake/EPB > Clear DTCs

(b) Turn the ignition switch off.

(c) Drive the vehicle, accelerate to a speed of 20 km/h (12 mph) or more, and check if the speed sensor DTC (electronically controlled brake system DTC) is output.

Chassis > Brake/EPB > Trouble Codes

Result

Proceed to

Electronically controlled brake system DTC (speed sensor or acceleration sensor DTC) is not output

A

Electronically controlled brake system DTC (speed sensor or acceleration sensor DTC) is output

B

HINT:

When DTCs indicating a CAN communication system malfunction are output, repair the CAN communication system before repairing each corresponding sensor.

B

GO TO ELECTRONICALLY CONTROLLED BRAKE SYSTEM

A

2.

READ VALUE USING GTS (WHEEL SPEED)

(a) Read the value displayed on the GTS.

Chassis > Four Wheel Drive > Data List

Tester Display

Measurement Item

Range

Normal Condition

Diagnostic Note

FR Wheel Speed

Front wheel speed sensor RH reading

Min.: 0 km/h (0 mph)

Max.: 326 km/h (203 mph)

Vehicle stopped: 0 km/h (0 mph)

No large fluctuations when driving at a constant speed.

FL Wheel Speed

Front wheel speed sensor LH reading

Min.: 0 km/h (0 mph)

Max.: 326 km/h (203 mph)

Vehicle stopped: 0 km/h (0 mph)

No large fluctuations when driving at a constant speed.

RR Wheel Speed

Rear wheel speed sensor RH reading

Min.: 0 km/h (0 mph)

Max.: 326 km/h (203 mph)

Vehicle stopped: 0 km/h (0 mph)

No large fluctuations when driving at a constant speed.

RL Wheel Speed

Rear wheel speed sensor LH reading

Min.: 0 km/h (0 mph)

Max.: 326 km/h (203 mph)

Vehicle stopped: 0 km/h (0 mph)

No large fluctuations when driving at a constant speed.

Chassis > Four Wheel Drive > Data List

Tester Display

FR Wheel Speed

FL Wheel Speed

RR Wheel Speed

RL Wheel Speed

OK:

The speed value output from the speed sensor displayed on the GTS is the same as the actual vehicle speed measured using a speedometer tester (calibrated chassis dynamometer).

NG

GO TO ELECTRONICALLY CONTROLLED BRAKE SYSTEM

OK

3.

READ VALUE USING GTS (FORWARD AND REARWARD G)

(a) Read the value displayed on the GTS.

Chassis > Four Wheel Drive

Tester Display

Measurement Item

Range

Normal Condition

Diagnostic Note

Forward and Rearward G

Forward and Rearward G

Min.: -25.10 m/s2

Max.: 24.90 m/s2

Approximately 0 +/-0.13 m/s2 while stationary

Changes in proportion with acceleration during acceleration/deceleration.

Chassis > Four Wheel Drive > Data List

Tester Display

Forward and Rearward G

OK:

The yaw rate and acceleration sensor (airbag ECU assembly) output value is normal.

OK

REPLACE 4WD ECU ASSEMBLY

NG

GO TO ELECTRONICALLY CONTROLLED BRAKE SYSTEM

    READ NEXT:

     Steering Angle Sensor (C1297)

    DESCRIPTION The 4WD ECU assembly receives signals from the steering sensor, and thereby detects the steering angle of the steering wheel assembly to determine when the vehicle is turning. When a

     Linear Solenoid (C1298)

    DESCRIPTION Based on the signals from each sensor, the 4WD ECU assembly controls the transmitted torque of the 4WD linear solenoid (transmission coupling assembly). This enables driving force dis

     Cancellation of 4WD Control (C1299)

    DESCRIPTION While driving, if the heat generated by the transmission coupling assembly exceeds a certain amount or if the estimated oil temperature of the transfer exceeds a certain amount, the 4

    SEE MORE:

     Hybrid/EV Battery Control System Circuit Voltage Below Threshold (P300016)

    DESCRIPTION The battery ECU assembly alerts the driver and performs fail-safe control based on malfunction signals. If the HV battery is discharged excessively or the hybrid battery system is malfunctioning, this DTC will be stored. HINT: If the HV battery voltage has dropped due to a malfunct

     Lock Function (Entry Lock Function does not Operate Using Close &)

    DESCRIPTION If the back door does not lock when using the power back door close and lock function, there may be communication problem between the certification ECU (smart key ECU assembly) and main body ECU (multiplex network body ECU). CAUTION / NOTICE / HINT NOTICE: When using the GTS with t

    © 2020-2026 Copyright www.tcorollacross.com PT NL