Toyota Corolla Cross Owners & Service Manuals

Toyota Corolla Cross: Servo Motor LIN Communication Bus off (B142A88)

DESCRIPTION

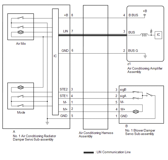
The air conditioning harness assembly connects the air conditioning amplifier assembly and the servo motors. The air conditioning amplifier assembly supplies power and sends operation instructions to each servo motor through the air conditioning harness assembly. Each servo motor sends damper position information to the air conditioning amplifier assembly.

DTC No.

Detection Item

DTC Detection Condition

Trouble Area

Memory

B142A88

Servo Motor LIN Communication Bus off

Diagnosis Condition:

  • Ignition switch ON

Malfunction Status:

  • Error or lost communication with each servo motor

Detection Time:

  • Continuously for 10 seconds or more
  • Air conditioning harness assembly
  • No. 1 air conditioning radiator damper servo sub-assembly
  • Air conditioning amplifier assembly

Memorized

DTC Detection Condition Combination Table
 

Vehicle Condition

Pattern 1

Pattern 2

Diagnosis Condition

Ignition switch ON

Malfunction

Error communication with each servo motor

-

Lost communication with each servo motor

-

Detection Time

Continuously for 10 seconds or more

Continuously for 10 seconds or more

Trip Count

1 trip

1 trip

HINT:

If the conditions of either of these patterns are detected, a DTC will be stored

WIRING DIAGRAM

for Dual Type

for Single Type

CAUTION / NOTICE / HINT

NOTICE:

This DTC is also output when servomotor initialization has failed. When servomotor initialization has failed, repair any malfunctions and perform servomotor initialization again.

Click here

PROCEDURE

1.

INSPECT AIR CONDITIONING AMPLIFIER ASSEMBLY

NOTICE:

When inspecting the air conditioning amplifier assembly, do not bring the tester probes too close to each other as a short circuit may occur.

(a) Disconnect the air conditioning amplifier assembly connector.

(b) Measure the voltage and resistance according to the value(s) in the table below.

Standard Voltage:

Tester Connection

Condition

Specified Condition

z1-4 (B BUS) - Body ground

Always

11 to 14 V

Standard Resistance:

Tester Connection

Condition

Specified Condition

z1-2 (BUS G) - Body ground

Always

Below 1 Ω

*a

Component with harness connected

(Air Conditioning Amplifier Assembly)

NG

REPLACE AIR CONDITIONING AMPLIFIER ASSEMBLY

OK

2.

INSPECT AIR CONDITIONING AMPLIFIER ASSEMBLY

*a

Component with harness connected

(Air Conditioning Amplifier Assembly)

(a) Using an oscilloscope, check the waveform.

Item

Content

Terminal No.

z1-3 (BUS) ←→ z1-2 (BUS G)

Tool Setting

2 V/DIV., 2 ms./DIV.

Condition

Ignition switch ON

OK:

Waveform is similar to that shown in the illustration.

NG

REPLACE AIR CONDITIONING AMPLIFIER ASSEMBLY

OK

3.

INSPECT AIR CONDITIONING HARNESS ASSEMBLY

(a) Disconnect the A No. 1 air conditioning radiator damper servo sub-assembly connector.

(b) Measure the resistance according to the value(s) in the table below.

Standard Resistance:

Tester Connection

Condition

Specified Condition

z1-2 (BUS G) - A-6 (GND)

Always

Below 1 Ω

z1-3 (BUS) - A-7 (LIN)

Always

Below 1 Ω

z1-4 (B BUS) - A-8 (+B)

Always

Below 1 Ω

OK

REPLACE NO. 1 AIR CONDITIONING RADIATOR DAMPER SERVO SUB-ASSEMBLY

NG

REPLACE AIR CONDITIONING HARNESS ASSEMBLY

    READ NEXT:

     Lost Communication with Air Inlet Damper Control Servo Motor LIN Missing Message (B143A87)

    DESCRIPTION The air conditioning harness assembly and No. 1 air conditioning radiator damper servo sub-assembly connect the air conditioning amplifier assembly and the No. 1 blower damper servo sub-as

     Air Inlet Damper Control Servo Motor Actuator Stuck Off (B143B7F)

    DESCRIPTION The No. 1 blower damper servo sub-assembly sends pulse signals to inform the air conditioning amplifier assembly of the damper position. The air conditioning amplifier assembly activates t

     Lost Communication with Front Left Air Mix Damper Control Servo Motor LIN Missing Message (B144B87)

    DESCRIPTION The air conditioning harness assembly connects the air conditioning amplifier assembly and the No. 1 air conditioning radiator damper servo sub-assembly. The air conditioning amplifier ass

    SEE MORE:

     Lost Communication with Front Control Rear Air Outlet Damper Control Servo Motor LIN Missing Message (B13AA87)

    DESCRIPTION The air conditioning harness assembly connects the air conditioning amplifier assembly and No. 2 air conditioning radiator damper servo sub-assembly. The No. 2 air conditioning radiator damper servo sub-assembly sends damper position information to the air conditioning amplifier assemb

     Right Frontal Restraints Sensor Signal Above Allowable Range (B009585)

    DESCRIPTION DTC No. Detection Item DTC Detection Condition Trouble Area Warning Indicate Test Mode / Check Mode B009585 Right Frontal Restraints Sensor Signal Above Allowable Range One of the following conditions is met: Front airbag sensor RH malfuncti

    © 2020-2026 Copyright www.tcorollacross.com PT NL