Toyota Corolla Cross Owners & Service Manuals

Toyota Corolla Cross: Lost Communication with Brake System Control Module (ch2) Missing Message (U117087)

Toyota Corolla Cross (2022-2026) Service Manual / Power Source & Network / Networking / Can Communication System (for Gasoline Model) / Lost Communication with Brake System Control Module (ch2) Missing Message (U117087)

DESCRIPTION

DTC No.

Detection Item

DTC Detection Condition

Trouble Area

Note

U117087

Lost Communication with Brake System Control Module (ch2) Missing Message

Communication stops between the engine stop and start ECU and the brake actuator assembly.

  • CAN main/branch bus lines or connector
  • Brake actuator assembly
  • Engine stop and start ECU
  • ECM
  • No. 9 global CAN junction connector

DTC Output from

  • Engine stop and start ECU

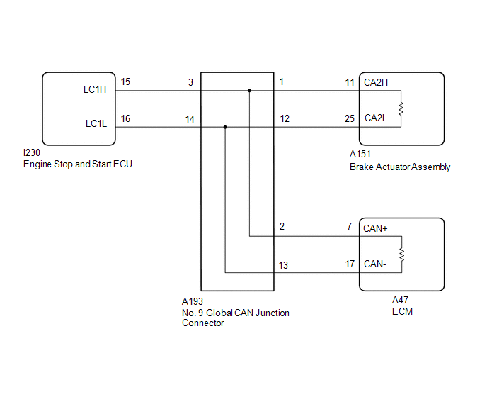
WIRING DIAGRAM

CAUTION / NOTICE / HINT

CAUTION:

When performing the confirmation driving pattern, obey all speed limits and traffic laws.

NOTICE:

  • Because the order of diagnosis is important to allow correct diagnosis, make sure to begin troubleshooting using How to Proceed with Troubleshooting when CAN communication system related DTCs are output.

    Click here

  • Before measuring the resistance of the CAN bus, turn the ignition switch off and leave the vehicle for 1 minute or more without operating the key or any switches, or opening or closing the doors. After that, disconnect the cable from the negative (-) auxiliary battery terminal and leave the vehicle for 1 minute or more before measuring the resistance.
  • After the ignition switch is turned off, there may be a waiting time before disconnecting the negative (-) auxiliary battery terminal.

    Click here

  • When disconnecting and reconnecting the auxiliary battery.

    Click here

    HINT:

    When disconnecting and reconnecting the auxiliary battery, there is an automatic learning function that completes learning when the respective system is used.

    Click here

  • Some parts must be initialized and set when replacing or removing and installing parts.

    Click here

  • After performing repairs, perform the DTC check procedure and confirm that the DTCs are not output again.

    DTC check procedure: Turn the ignition switch to ON and wait for 1 minute or more. Then operate the suspected malfunctioning system and drive the vehicle at 60 km/h (37 mph) or more for 5 minutes or more.

  • After the repair, perform the CAN bus check and check that all the ECUs and sensors connected to the CAN communication system are displayed as normal.

    Click here

  • Before replacing the ECM, refer to Registration.

    Click here

HINT:

  • Before disconnecting related connectors for inspection, push in on each connector body to check that the connector is not loose or disconnected.
  • When a connector is disconnected, check that the terminals and connector body are not cracked, deformed or corroded.

PROCEDURE

1.

CHECK FOR OPEN IN CAN MAIN BUS LINES

(a) Disconnect the cable from the negative (-) auxiliary battery terminal.

(b) Measure the resistance according to the value(s) in the table below.

*a

Component with harness connected

(No. 9 Global CAN Junction Connector)

-

-

Standard Resistance:

Tester Connection

Condition

Specified Condition

A193-1 (CANH) - A193-12 (CANL)

Cable disconnected from negative (-) auxiliary battery terminal

Below 70 Ω

NG

GO TO STEP 23

OK

2.

CHECK FOR SHORT IN CAN BUS LINES

(a) Measure the resistance according to the value(s) in the table below.

*a

Component with harness connected

(No. 9 Global CAN Junction Connector)

-

-

Standard Resistance:

Tester Connection

Condition

Specified Condition

A193-1 (CANH) - A193-12 (CANL)

Cable disconnected from negative (-) auxiliary battery terminal

54 Ω or higher

NG

GO TO STEP 17

OK

3.

CHECK FOR SHORT TO +B IN CAN BUS LINE

(a) Measure the resistance according to the value(s) in the table below.

*1

DLC3

-

-

*a

Component with harness connected

(No. 9 Global CAN Junction Connector)

-

-

Standard Resistance:

Tester Connection

Condition

Specified Condition

A193-1 (CANH) - I26-16 (BAT)

Cable disconnected from negative (-) auxiliary battery terminal

6 kΩ or higher

A193-12 (CANL) - I26-16 (BAT)

NG

GO TO STEP 11

OK

4.

CHECK FOR SHORT TO GND IN CAN BUS LINE

(a) Measure the resistance according to the value(s) in the table below.

*1

DLC3

-

-

*a

Component with harness connected

(No. 9 Global CAN Junction Connector)

-

-

Standard Resistance:

Tester Connection

Condition

Specified Condition

A193-1 (CANH) - I26-4 (CG)

Cable disconnected from negative (-) auxiliary battery terminal

200 Ω or higher

A193-12 (CANL) - I26-4 (CG)

OK

INSPECT FOR INTERMITTENT PROBLEMS

NG

5.

CHECK FOR SHORT TO GND IN CAN BUS LINE (NO. 9 GLOBAL CAN JUNCTION CONNECTOR - BRAKE ACTUATOR ASSEMBLY)

(a) Disconnect the No. 9 global CAN junction connector.

(b) Measure the resistance according to the value(s) in the table below.

*1

DLC3

-

-

*a

Front view of wire harness connector

(to No. 9 Global CAN Junction Connector)

*b

to Brake Actuator Assembly

Standard Resistance:

Tester Connection

Condition

Specified Condition

A193-1 (CANH) - I26-4 (CG)

Cable disconnected from negative (-) auxiliary battery terminal

200 Ω or higher

A193-12 (CANL) - I26-4 (CG)

NG

GO TO STEP 8

OK

6.

CHECK FOR SHORT TO GND IN CAN BUS LINE (NO. 9 GLOBAL CAN JUNCTION CONNECTOR - ENGINE STOP AND START ECU)

(a) Measure the resistance according to the value(s) in the table below.

*1

DLC3

-

-

*a

Front view of wire harness connector

(to No. 9 Global CAN Junction Connector)

*b

to Engine Stop and Start ECU

Standard Resistance:

Tester Connection

Condition

Specified Condition

A193-3 (CANH) - I26-4 (CG)

Cable disconnected from negative (-) auxiliary battery terminal

200 Ω or higher

A193-14 (CANL) - I26-4 (CG)

NG

GO TO STEP 9

OK

7.

CHECK FOR SHORT TO GND IN CAN BUS LINE (NO. 9 GLOBAL CAN JUNCTION CONNECTOR - ECM)

(a) Measure the resistance according to the value(s) in the table below.

*1

DLC3

-

-

*a

Front view of wire harness connector

(to No. 9 Global CAN Junction Connector)

*b

to ECM

Standard Resistance:

Tester Connection

Condition

Specified Condition

A193-2 (CANH) - I26-4 (CG)

Cable disconnected from negative (-) auxiliary battery terminal

200 Ω or higher

A193-13 (CANL) - I26-4 (CG)

OK

REPLACE NO. 9 GLOBAL CAN JUNCTION CONNECTOR

NG

GO TO STEP 10

8.

CHECK FOR SHORT TO GND IN CAN BUS LINE (NO. 9 GLOBAL CAN JUNCTION CONNECTOR - BRAKE ACTUATOR ASSEMBLY)

(a) Disconnect the A151 brake actuator assembly connector.

(b) Measure the resistance according to the value(s) in the table below.

*1

DLC3

-

-

*a

Front view of wire harness connector

(to No. 9 Global CAN Junction Connector)

*b

to Brake Actuator Assembly

Standard Resistance:

Tester Connection

Condition

Specified Condition

A193-1 (CANH) - I26-4 (CG)

Cable disconnected from negative (-) auxiliary battery terminal

200 Ω or higher

A193-12 (CANL) - I26-4 (CG)

OK

REPLACE BRAKE ACTUATOR ASSEMBLY

NG

REPAIR OR REPLACE CAN MAIN BUS LINE OR CONNECTOR (NO. 9 GLOBAL CAN JUNCTION CONNECTOR - BRAKE ACTUATOR ASSEMBLY)

9.

CHECK FOR SHORT TO GND IN CAN BUS LINE (NO. 9 GLOBAL CAN JUNCTION CONNECTOR - ENGINE STOP AND START ECU)

(a) Disconnect the I230 engine stop and start ECU connector.

(b) Measure the resistance according to the value(s) in the table below.

*1

DLC3

-

-

*a

Front view of wire harness connector

(to No. 9 Global CAN Junction Connector)

*b

to Engine Stop and Start ECU

Standard Resistance:

Tester Connection

Condition

Specified Condition

A193-3 (CANH) - I26-4 (CG)

Cable disconnected from negative (-) auxiliary battery terminal

200 Ω or higher

A193-14 (CANL) - I26-4 (CG)

OK

REPLACE ENGINE STOP AND START ECU

NG

REPAIR OR REPLACE CAN BRANCH LINE OR CONNECTOR (NO. 9 GLOBAL CAN JUNCTION CONNECTOR - ENGINE STOP AND START ECU)

10.

CHECK FOR SHORT TO GND IN CAN BUS LINE (NO. 9 GLOBAL CAN JUNCTION CONNECTOR - ECM)

(a) Disconnect the A47 ECM connector.

(b) Measure the resistance according to the value(s) in the table below.

*1

DLC3

-

-

*a

Front view of wire harness connector

(to No. 9 Global CAN Junction Connector)

*b

to ECM

Standard Resistance:

Tester Connection

Condition

Specified Condition

A193-2 (CANH) - I26-4 (CG)

Cable disconnected from negative (-) auxiliary battery terminal

200 Ω or higher

A193-13 (CANL) - I26-4 (CG)

OK

REPLACE ECM

NG

REPAIR OR REPLACE CAN MAIN BUS LINE OR CONNECTOR (NO. 9 GLOBAL CAN JUNCTION CONNECTOR - ECM)

11.

CHECK FOR SHORT TO +B IN CAN BUS LINE (NO. 9 GLOBAL CAN JUNCTION CONNECTOR - BRAKE ACTUATOR ASSEMBLY)

(a) Disconnect the No. 9 global CAN junction connector.

(b) Measure the resistance according to the value(s) in the table below.

*1

DLC3

-

-

*a

Front view of wire harness connector

(to No. 9 Global CAN Junction Connector)

*b

to Brake Actuator Assembly

Standard Resistance:

Tester Connection

Condition

Specified Condition

A193-1 (CANH) - I26-16 (BAT)

Cable disconnected from negative (-) auxiliary battery terminal

6 kΩ or higher

A193-12 (CANL) - I26-16 (BAT)

NG

GO TO STEP 14

OK

12.

CHECK FOR SHORT TO +B IN CAN BUS LINE (NO. 9 GLOBAL CAN JUNCTION CONNECTOR - ENGINE STOP AND START ECU)

(a) Measure the resistance according to the value(s) in the table below.

*1

DLC3

-

-

*a

Front view of wire harness connector

(to No. 9 Global CAN Junction Connector)

*b

to Engine Stop and Start ECU

Standard Resistance:

Tester Connection

Condition

Specified Condition

A193-3 (CANH) - I26-16 (BAT)

Cable disconnected from negative (-) auxiliary battery terminal

6 kΩ or higher

A193-14 (CANL) - I26-16 (BAT)

NG

GO TO STEP 15

OK

13.

CHECK FOR SHORT TO +B IN CAN BUS LINE (NO. 9 GLOBAL CAN JUNCTION CONNECTOR - ECM)

(a) Measure the resistance according to the value(s) in the table below.

*1

DLC3

-

-

*a

Front view of wire harness connector

(to No. 9 Global CAN Junction Connector)

*b

to ECM

Standard Resistance:

Tester Connection

Condition

Specified Condition

A193-2 (CANH) - I26-16 (BAT)

Cable disconnected from negative (-) auxiliary battery terminal

6 kΩ or higher

A193-13 (CANL) - I26-16 (BAT)

OK

REPLACE NO. 9 GLOBAL CAN JUNCTION CONNECTOR

NG

GO TO STEP 16

14.

CHECK FOR SHORT TO +B IN CAN BUS LINE (NO. 9 GLOBAL CAN JUNCTION CONNECTOR - BRAKE ACTUATOR ASSEMBLY)

(a) Disconnect the A151 brake actuator assembly connector.

(b) Measure the resistance according to the value(s) in the table below.

*1

DLC3

-

-

*a

Front view of wire harness connector

(to No. 9 Global CAN Junction Connector)

*b

to Brake Actuator Assembly

Standard Resistance:

Tester Connection

Condition

Specified Condition

A193-1 (CANH) - I26-16 (BAT)

Cable disconnected from negative (-) auxiliary battery terminal

6 kΩ or higher

A193-12 (CANL) - I26-16 (BAT)

OK

REPLACE BRAKE ACTUATOR ASSEMBLY

NG

REPAIR OR REPLACE CAN MAIN BUS LINE OR CONNECTOR (NO. 9 GLOBAL CAN JUNCTION CONNECTOR - BRAKE ACTUATOR ASSEMBLY)

15.

CHECK FOR SHORT TO +B IN CAN BUS LINE (NO. 9 GLOBAL CAN JUNCTION CONNECTOR - ENGINE STOP AND START ECU)

(a) Disconnect the I230 engine stop and start ECU connector.

(b) Measure the resistance according to the value(s) in the table below.

*1

DLC3

-

-

*a

Front view of wire harness connector

(to No. 9 Global CAN Junction Connector)

*b

to Engine Stop and Start ECU

Standard Resistance:

Tester Connection

Condition

Specified Condition

A193-3 (CANH) - I26-16 (BAT)

Cable disconnected from negative (-) auxiliary battery terminal

6 kΩ or higher

A193-14 (CANL) - I26-16 (BAT)

OK

REPLACE ENGINE STOP AND START ECU

NG

REPAIR OR REPLACE CAN BRANCH LINE OR CONNECTOR (NO. 9 GLOBAL CAN JUNCTION CONNECTOR - ENGINE STOP AND START ECU)

16.

CHECK FOR SHORT TO +B IN CAN BUS LINE (NO. 9 GLOBAL CAN JUNCTION CONNECTOR - ECM)

(a) Disconnect the A47 ECM connector.

(b) Measure the resistance according to the value(s) in the table below.

*1

DLC3

-

-

*a

Front view of wire harness connector

(to No. 9 Global CAN Junction Connector)

*b

to ECM

Standard Resistance:

Tester Connection

Condition

Specified Condition

A193-2 (CANH) - I26-16 (BAT)

Cable disconnected from negative (-) auxiliary battery terminal

6 kΩ or higher

A193-13 (CANL) - I26-16 (BAT)

OK

REPLACE ECM

NG

REPAIR OR REPLACE CAN MAIN BUS LINE OR CONNECTOR (NO. 9 GLOBAL CAN JUNCTION CONNECTOR - ECM)

17.

CHECK FOR SHORT IN CAN BUS LINES (NO. 9 GLOBAL CAN JUNCTION CONNECTOR - BRAKE ACTUATOR ASSEMBLY)

(a) Disconnect the No. 9 global CAN junction connector.

(b) Measure the resistance according to the value(s) in the table below.

*a

Front view of wire harness connector

(to No. 9 Global CAN Junction Connector)

*b

to Brake Actuator Assembly

Standard Resistance:

Tester Connection

Condition

Specified Condition

A193-1 (CANH) - A193-12 (CANL)

Cable disconnected from negative (-) auxiliary battery terminal

108 to 132 Ω

NG

GO TO STEP 20

OK

18.

CHECK FOR SHORT IN CAN BUS LINES (NO. 9 GLOBAL CAN JUNCTION CONNECTOR - ENGINE STOP AND START ECU)

(a) Measure the resistance according to the value(s) in the table below.

*a

Front view of wire harness connector

(to No. 9 Global CAN Junction Connector)

*b

to Engine Stop and Start ECU

Standard Resistance:

Tester Connection

Condition

Specified Condition

A193-3 (CANH) - A193-14 (CANL)

Cable disconnected from negative (-) auxiliary battery terminal

200 Ω or higher

NG

GO TO STEP 21

OK

19.

CHECK FOR SHORT IN CAN BUS LINES (NO. 9 GLOBAL CAN JUNCTION CONNECTOR - ECM)

(a) Measure the resistance according to the value(s) in the table below.

*a

Front view of wire harness connector

(to No. 9 Global CAN Junction Connector)

*b

to ECM

Standard Resistance:

Tester Connection

Condition

Specified Condition

A193-2 (CANH) - A193-13 (CANL)

Cable disconnected from negative (-) auxiliary battery terminal

108 to 132 Ω

OK

REPLACE NO. 9 GLOBAL CAN JUNCTION CONNECTOR

NG

GO TO STEP 22

20.

CHECK FOR SHORT IN CAN BUS LINES (NO. 9 GLOBAL CAN JUNCTION CONNECTOR - BRAKE ACTUATOR ASSEMBLY)

(a) Disconnect the A151 brake actuator assembly connector.

(b) Measure the resistance according to the value(s) in the table below.

*a

Front view of wire harness connector

(to No. 9 Global CAN Junction Connector)

*b

to Brake Actuator Assembly

Standard Resistance:

Tester Connection

Condition

Specified Condition

A193-1 (CANH) - A193-12 (CANL)

Cable disconnected from negative (-) auxiliary battery terminal

1 MΩ or higher

OK

REPLACE BRAKE ACTUATOR ASSEMBLY

NG

REPAIR OR REPLACE CAN MAIN BUS LINES OR CONNECTOR (NO. 9 GLOBAL CAN JUNCTION CONNECTOR - BRAKE ACTUATOR ASSEMBLY)

21.

CHECK FOR SHORT IN CAN BUS LINES (NO. 9 GLOBAL CAN JUNCTION CONNECTOR - ENGINE STOP AND START ECU)

(a) Disconnect the I230 engine stop and start ECU connector.

(b) Measure the resistance according to the value(s) in the table below.

*a

Front view of wire harness connector

(to No. 9 Global CAN Junction Connector)

*b

to Engine Stop and Start ECU

Standard Resistance:

Tester Connection

Condition

Specified Condition

A193-3 (CANH) - A193-14 (CANL)

Cable disconnected from negative (-) auxiliary battery terminal

1 MΩ or higher

OK

REPLACE ENGINE STOP AND START ECU

NG

REPAIR OR REPLACE CAN BRANCH LINES OR CONNECTOR (NO. 9 GLOBAL CAN JUNCTION CONNECTOR - ENGINE STOP AND START ECU)

22.

CHECK FOR SHORT IN CAN BUS LINES (NO. 9 GLOBAL CAN JUNCTION CONNECTOR - ECM)

(a) Disconnect the A47 ECM connector.

(b) Measure the resistance according to the value(s) in the table below.

*a

Front view of wire harness connector

(to No. 9 Global CAN Junction Connector)

*b

to ECM

Standard Resistance:

Tester Connection

Condition

Specified Condition

A193-2 (CANH) - A193-13 (CANL)

Cable disconnected from negative (-) auxiliary battery terminal

1 MΩ or higher

OK

REPLACE ECM

NG

REPAIR OR REPLACE CAN MAIN BUS LINES OR CONNECTOR (NO. 9 GLOBAL CAN JUNCTION CONNECTOR - ECM)

23.

CHECK FOR OPEN IN CAN MAIN BUS LINES (BRAKE ACTUATOR ASSEMBLY)

(a) Disconnect the brake actuator assembly connector.

(b) Measure the resistance according to the value(s) in the table below.

Standard Resistance:

Tester Connection

Condition

Specified Condition

A151-11 (CA2H) - A151-25 (CA2L)

Cable disconnected from negative (-) auxiliary battery terminal

108 to 132 Ω

*a

Front view of wire harness connector

(to Brake Actuator Assembly)

OK

REPLACE BRAKE ACTUATOR ASSEMBLY

NG

24.

CHECK FOR OPEN IN CAN MAIN BUS LINES (NO. 9 GLOBAL CAN JUNCTION CONNECTOR - BRAKE ACTUATOR ASSEMBLY)

(a) Reconnect the A151 brake actuator assembly connector.

(b) Disconnect the No. 9 global CAN junction connector.

(c) Measure the resistance according to the value(s) in the table below.

*a

Front view of wire harness connector

(to No. 9 Global CAN Junction Connector)

*b

to Brake Actuator Assembly

Standard Resistance:

Tester Connection

Condition

Specified Condition

A193-1 (CANH) - A193-12 (CANL)

Cable disconnected from negative (-) auxiliary battery terminal

108 to 132 Ω

NG

REPAIR OR REPLACE CAN MAIN BUS LINES OR CONNECTOR (NO. 9 GLOBAL CAN JUNCTION CONNECTOR - BRAKE ACTUATOR ASSEMBLY)

OK

25.

CHECK FOR OPEN IN CAN MAIN BUS LINES (NO. 9 GLOBAL CAN JUNCTION CONNECTOR - ECM)

(a) Measure the resistance according to the value(s) in the table below.

*a

Front view of wire harness connector

(to No. 9 Global CAN Junction Connector)

*b

to ECM

Standard Resistance:

Tester Connection

Condition

Specified Condition

A193-2 (CANH) - A193-13 (CANL)

Cable disconnected from negative (-) auxiliary battery terminal

108 to 132 Ω

OK

REPLACE NO. 9 GLOBAL CAN JUNCTION CONNECTOR

NG

26.

CHECK FOR OPEN IN CAN MAIN BUS LINES (ECM)

(a) Reconnect the A193 No. 9 global CAN junction connector.

(b) Disconnect the ECM connector.

(c) Measure the resistance according to the value(s) in the table below.

Standard Resistance:

Tester Connection

Condition

Specified Condition

A47-7 (CAN+) - A47-17 (CAN-)

Cable disconnected from negative (-) auxiliary battery terminal

108 to 132 Ω

*a

Front view of wire harness connector

(to ECM)

OK

REPLACE ECM

NG

REPAIR OR REPLACE CAN MAIN BUS LINES OR CONNECTOR (NO. 9 GLOBAL CAN JUNCTION CONNECTOR - ECM)

    READ NEXT:

     Check CAN Communication Connection

    DESCRIPTION Symptom Trouble Area Check CAN Communication Connection CAN main bus line, CAN branch line or connector Power source circuit of

     Skid Control ECU Communication Stop Mode

    DESCRIPTION Detection Item Symptom Trouble Area Skid Control ECU Communication Stop Mode Communication stop for "Skid Control (ABS/VS

     Clearance Warning ECU Communication Stop Mode

    DESCRIPTION Detection Item Symptom Trouble Area Clearance Warning ECU Communication Stop Mode Communication stop for "Clearance Warni

    SEE MORE:

     DC/DC Converter Voltage Sensor "A"(VL) Circuit Voltage Below Threshold (P0E3116,P0E3117,P0E311F)

    DESCRIPTION The motor generator control ECU, which is built into the inverter with converter assembly, detects pre-boosting high voltage (VL) using the voltage sensor in the boost converter to control boosting. The motor generator control ECU also monitors the boost converter voltage sensor signal l

     Removal

    REMOVAL CAUTION / NOTICE / HINT COMPONENTS (REMOVAL) Procedure Part Name Code 1 AIR CONDITIONER UNIT ASSEMBLY - - - - 2 TRANSPONDER KEY ECU ASSEMBLY 89780 - - - CAUTION / NOTICE / HINT The necessary procedures (adj

    © 2020-2026 Copyright www.tcorollacross.com PT NL