Toyota Corolla Cross Owners & Service Manuals

Toyota Corolla Cross: Second Row Left Seat Belt Pretensioner Deployment Control Circuit Short to Ground (B007311)

Toyota Corolla Cross (2022-2026) Service Manual / Vehicle Interior / Supplemental Restraint Systems / Airbag System / Second Row Left Seat Belt Pretensioner Deployment Control Circuit Short to Ground (B007311)

DESCRIPTION

DTC No.

Detection Item

DTC Detection Condition

Trouble Area

Warning Indicate

Test Mode / Check Mode

B007311

Second Row Left Seat Belt Pretensioner Deployment Control Circuit Short to Ground

  • The airbag ECU assembly detects a short to ground in the rear pretensioner squib LH circuit for 0.5 seconds.
  • Rear seat outer belt assembly LH malfunction
  • Airbag ECU assembly malfunction
  • Harness or connector
  • Rear seat outer belt assembly LH
  • Airbag ECU assembly

Comes on

Applies to check mode

WIRING DIAGRAM

CAUTION / NOTICE / HINT

NOTICE:

  • After the ignition switch is turned off, there may be a waiting time before disconnecting the negative (-) battery terminal.

    Click here

    HINT:

    When disconnecting and reconnecting the battery, there is an automatic learning function that completes learning when the respective system is used.

    Click here

  • After replacing the airbag ECU assembly, refer to work procedure.

    Click here

HINT:

  • To perform the simulation method, enter check mode (signal check) with the GTS.

    Click here

  • Perform the simulation method while checking the Data List.

    Click here

PROCEDURE

1.

CLEAR DTC

(a) Turn the ignition switch to ON, and wait for at least 60 seconds.

(b) Clear the DTCs stored in memory.

Body Electrical > SRS Airbag > Clear DTCs

(c) Turn the ignition switch off.

NEXT

2.

CHECK DTC

(a) Turn the ignition switch to ON, and wait for at least 60 seconds.

(b) Check for DTCs.

Body Electrical > SRS Airbag > Trouble Codes

Result

Proceed to

B007311 is output

A

B007311 is not output

B

B

USE SIMULATION METHOD TO CHECK

A

3.

CHECK CONNECTION OF CONNECTORS

(a) Turn the ignition switch off.

(b) Disconnect the cable from the negative (-) battery terminal, and wait for at least 60 seconds.

(c) Check that the connectors are properly connected to the rear seat outer belt assembly LH and airbag ECU assembly.

OK:

The connectors are properly connected.

NG

CONNECT CONNECTORS PROPERLY

OK

4.

CHECK CONNECTORS

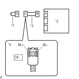
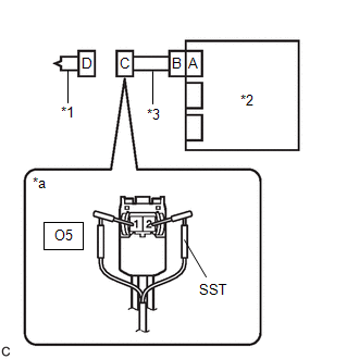
(a) Disconnect the airbag ECU assembly connector.

*1

Rear Seat Outer Belt Assembly LH

*2

Airbag ECU Assembly

*3

Wire Harness

(b) Disconnect the rear seat outer belt assembly LH connector.

(c) Check that the terminals of the connectors are not deformed or damaged.

OK:

The terminals are not deformed or damaged.

(d) Check that the connectors are not loose, deformed or damaged.

OK:

The connector locking button is not disengaged, and the claw of the lock is not deformed or damaged.

(e) Check that the short springs of the activation prevention mechanism of the wire harness connector are not deformed or damaged.

OK:

The short springs are not deformed or damaged.

NG

REPAIR OR REPLACE HARNESS OR CONNECTOR

OK

5.

CLEAR DTC

(a) Connect the airbag ECU assembly connector.

*1

Rear Seat Outer Belt Assembly LH

*2

Airbag ECU Assembly

*3

Wire Harness

*a

Front view of wire harness connector

(to Rear Seat Outer Belt Assembly LH)

(b) Connect SST (resistance: 2.1 Ω) to connector C.

CAUTION:

Never connect the tester to the rear seat outer belt assembly LH for measurement, as this may lead to a serious injury due to pretensioner deployment.

NOTICE:

  • Do not forcibly insert SST into the terminals of the connector when connecting SST.
  • Insert SST straight into the terminals of the connector.

SST: 09843-18061

(c) Connect the cable to the negative (-) battery terminal, and wait for at least 2 seconds.

(d) Turn the ignition switch to ON, and wait for at least 60 seconds.

(e) Clear the DTCs stored in memory.

Body Electrical > SRS Airbag > Clear DTCs

(f) Turn the ignition switch off.

NEXT

6.

CHECK REAR SEAT OUTER BELT ASSEMBLY LH

(a) Turn the ignition switch to ON, and wait for at least 60 seconds.

(b) Check for DTCs.

Body Electrical > SRS Airbag > Trouble Codes

Result

Proceed to

B007311 is not output

A

B007311 is output

B

HINT:

Codes other than DTC B007311 may be output at this time, but they are not related to this check.

(c) Turn the ignition switch off.

(d) Disconnect the cable from the negative (-) battery terminal, and wait for at least 60 seconds.

(e) Disconnect SST from connector C.

A

REPLACE REAR SEAT OUTER BELT ASSEMBLY LH

B

7.

CHECK HARNESS AND CONNECTOR

(a) Disconnect the airbag ECU assembly connector.

(b) Measure the resistance according to the value(s) in the table below.

Standard Resistance:

Tester Connection

Condition

Specified Condition

O5-1 (RL+) - Body ground

Always

1 MΩ or higher

O5-2 (RL-) - Body ground

Always

1 MΩ or higher

*1

Rear Seat Outer Belt Assembly LH

*2

Airbag ECU Assembly

*3

Wire Harness

*a

Front view of wire harness connector

(to Rear Seat Outer Belt Assembly LH)

NG

REPAIR OR REPLACE HARNESS OR CONNECTOR

OK

8.

CLEAR DTC

(a) Connect the airbag ECU assembly connector.

*1

Rear Seat Outer Belt Assembly LH

*2

Airbag ECU Assembly

(b) Connect the rear seat outer belt assembly LH connector.

(c) Connect the cable to the negative (-) battery terminal, and wait for at least 2 seconds.

(d) Turn the ignition switch to ON, and wait for at least 60 seconds.

(e) Clear the DTCs stored in memory.

Body Electrical > SRS Airbag > Clear DTCs

(f) Turn the ignition switch off.

NEXT

9.

CHECK DTC

(a) Turn the ignition switch to ON, and wait for at least 60 seconds.

(b) Check for DTCs.

Body Electrical > SRS Airbag > Trouble Codes

Result

Proceed to

B007311 is not output

A

B007311 is output

B

HINT:

Codes other than DTC B007311 may be output at this time, but they are not related to this check.

A

USE SIMULATION METHOD TO CHECK

B

REPLACE AIRBAG ECU ASSEMBLY

    READ NEXT:

     Second Row Left Seat Belt Pretensioner Deployment Control Circuit Short to Battery (B007312)

    DESCRIPTION DTC No. Detection Item DTC Detection Condition Trouble Area Warning Indicate Test Mode / Check Mode B007312 Second Row Left Seat Belt Pretensioner Deploymen

     Second Row Left Seat Belt Pretensioner Deployment Control Circuit Open (B007313)

    DESCRIPTION DTC No. Detection Item DTC Detection Condition Trouble Area Warning Indicate Test Mode / Check Mode B007313 Second Row Left Seat Belt Pretensioner Deploymen

     Second Row Left Seat Belt Pretensioner Deployment Control Circuit Resistance Below Threshold (B00731A)

    DESCRIPTION DTC No. Detection Item DTC Detection Condition Trouble Area Warning Indicate Test Mode / Check Mode B00731A Second Row Left Seat Belt Pretensioner Deploymen

    SEE MORE:

     AWD Warning Remains ON

    DESCRIPTION The 4WD ECU assembly is connected to the combination meter assembly via the CAN communication system. If the 4WD ECU assembly stores any DTCs which are related to the dynamic torque control AWD system, the warning message is displayed on the multi-information display in the combi

     VEHICLE CONTROL HISTORY (RoB)

    VEHICLE CONTROL HISTORY (RoB) DESCRIPTION Vehicle Control History (RoB) is a function that captures and stores ECU data when triggered by specific vehicle behavior. It may be possible to determine the cause of the malfunction by checking the vehicle history information and freeze fra

    © 2020-2026 Copyright www.tcorollacross.com PT NL