Toyota Corolla Cross Owners & Service Manuals

Toyota Corolla Cross: Right Side Restraints Sensor 2 Value of Signal Protection Calculation Incorrect (B009783)

Toyota Corolla Cross (2022-2025) Service Manual / Vehicle Interior / Supplemental Restraint Systems / Airbag System / Right Side Restraints Sensor 2 Value of Signal Protection Calculation Incorrect (B009783)

DESCRIPTION

DTC No.

Detection Item

DTC Detection Condition

Trouble Area

Warning Indicate

Test Mode / Check Mode

B009783

Right Side Restraints Sensor 2 Value of Signal Protection Calculation Incorrect

One of the following conditions is met:

  • The airbag ECU assembly detects a line short circuit signal, open circuit signal, short circuit to ground signal or short circuit to B+ signal in the side collision sensor RH circuit (bus 2) for 2 seconds.
  • No. 1 side airbag sensor RH malfunction
  • Airbag ECU assembly malfunction
  • Harness or connector
  • No. 1 side airbag sensor RH
  • Airbag ECU assembly

Comes on

Does not apply to test/check mode

DTC Detection Conditions:
 

Vehicle Condition

Pattern 1

Pattern 2

Pattern 3

Pattern 4

Pattern 5

Pattern 6

Diagnosis Condition

Ignition switch ON

Malfunction Status

The airbag ECU assembly detects a line short circuit signal in the side collision sensor RH circuit (bus 2).

-

-

-

-

-

The airbag ECU assembly detects an open circuit signal in the side collision sensor RH circuit (bus 2).

-

-

-

-

-

The airbag ECU assembly detects a short circuit to ground signal in the side collision sensor RH circuit (bus 2).

-

-

-

-

-

The airbag ECU assembly detects a short circuit to B+ signal in the side collision sensor RH circuit (bus 2).

-

-

-

-

-

No. 1 side airbag sensor RH malfunction

-

-

-

-

-

Airbag ECU assembly malfunction

-

-

-

-

-

Detection Time

2 seconds

2 seconds

2 seconds

2 seconds

2 seconds

2 seconds

Number of Trips

1 trip

1 trip

1 trip

1 trip

1 trip

1 trip

HINT:

DTC will be output when conditions for either of the patterns in the table above are met.

WIRING DIAGRAM

CAUTION / NOTICE / HINT

NOTICE:

After the ignition switch is turned off, there may be a waiting time before disconnecting the negative (-) battery terminal.

Click here

HINT:

When disconnecting and reconnecting the battery, there is an automatic learning function that completes learning when the respective system is used.

Click here

PROCEDURE

1.

CHECK CONNECTION OF CONNECTORS

(a) Turn the ignition switch off.

(b) Disconnect the cable from the negative (-) battery terminal.

CAUTION:

Wait at least 60 seconds after disconnecting the cable from the negative (-) battery terminal to disable the SRS system.

(c) Check that the connectors are properly connected to the airbag ECU assembly and No. 1 side airbag sensor RH.

OK:

The connectors are properly connected.

NG

CONNECT CONNECTORS PROPERLY

OK

2.

CHECK CONNECTORS

(a) Disconnect the connectors from the airbag ECU assembly and No. 1 side airbag sensor RH.

(b) Check that the terminals of the connectors are not deformed or damaged.

OK:

The terminals of the connectors are not deformed or damaged.

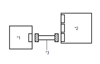
*1

No. 1 Side Airbag Sensor RH

*2

Airbag ECU Assembly

*3

Wire Harness

NG

REPAIR OR REPLACE HARNESS OR CONNECTOR

OK

3.

CHECK HARNESS AND CONNECTOR (SHORT)

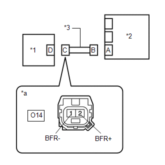
(a) Measure the resistance according to the value(s) in the table below.

Standard Resistance:

Tester Connection

Condition

Specified Condition

O14-2 (BFR+) - O14-1 (BFR-)

Always

1 MΩ or higher

*1

No. 1 Side Airbag Sensor RH

*2

Airbag ECU Assembly

*3

Wire Harness

*a

Front view of wire harness connector

(to No. 1 Side Airbag Sensor RH)

NG

REPAIR OR REPLACE HARNESS OR CONNECTOR

OK

4.

CHECK HARNESS AND CONNECTOR (SHORT TO GROUND)

(a) Measure the resistance according to the value(s) in the table below.

Standard Resistance:

Tester Connection

Condition

Specified Condition

O14-2 (BFR+) - Body ground

Always

1 MΩ or higher

O14-1 (BFR-) - Body ground

Always

1 MΩ or higher

*1

No. 1 Side Airbag Sensor RH

*2

Airbag ECU Assembly

*3

Wire Harness

*a

Front view of wire harness connector

(to No. 1 Side Airbag Sensor RH)

NG

REPAIR OR REPLACE HARNESS OR CONNECTOR

OK

5.

CHECK HARNESS AND CONNECTOR (SHORT TO B+)

(a) Connect the cable to the negative (-) battery terminal.

(b) Turn the ignition switch to ON.

(c) Measure the voltage according to the value(s) in the table below.

Standard Voltage:

Tester Connection

Switch Condition

Specified Condition

O14-2 (BFR+) - Body ground

Ignition switch ON

Below 1 V

O14-1 (BFR-) - Body ground

Ignition switch ON

Below 1 V

Result:

Proceed to

OK

NG

*1

No. 1 Side Airbag Sensor RH

*2

Airbag ECU Assembly

*3

Wire Harness

*a

Front view of wire harness connector

(to No. 1 Side Airbag Sensor RH)

(d) Turn the ignition switch off.

(e) Disconnect the cable from the negative (-) battery terminal.

CAUTION:

Wait at least 60 seconds after disconnecting the cable from the negative (-) battery terminal to disable the SRS system.

NG

REPAIR OR REPLACE HARNESS OR CONNECTOR

OK

6.

CHECK HARNESS AND CONNECTOR (OPEN)

(a) Using a service wire, connect terminals 28 (BCR+) and 29 (BCR-) of connector B.

NOTICE:

Do not forcibly insert the service wire into the terminals of the connector when connecting the wire.

(b) Measure the resistance according to the value(s) in the table below.

Standard Resistance:

Tester Connection

Condition

Specified Condition

O14-2 (BFR+) - O14-1 (BFR-)

Always

Below 1 Ω

Result:

Proceed to

OK

NG

*1

No. 1 Side Airbag Sensor RH

*2

Airbag ECU Assembly

*3

Wire Harness

*4

Service Wire

*a

Front view of wire harness connector

(to No. 1 Side Airbag Sensor RH)

*b

Front view of wire harness connector

(to Airbag ECU Assembly)

(c) Disconnect the service wire from connector B.

NG

REPAIR OR REPLACE HARNESS OR CONNECTOR

OK

7.

CLEAR DTC

(a) Connect the connector to the airbag ECU assembly.

*1

No. 1 Side Airbag Sensor LH

*2

Airbag ECU Assembly

(b) Interchange the No. 1 side airbag sensor RH with LH and connect the connectors.

(c) Connect the cable to the negative (-) battery terminal.

(d) Turn the ignition switch to ON, and wait for at least 60 seconds.

(e) Clear the DTCs stored in memory.

Body Electrical > SRS Airbag > Clear DTCs

(f) Turn the ignition switch off.

NEXT

8.

CHECK NO.1 SIDE AIR BAG SENSOR RH

(a) Turn the ignition switch to ON, and wait for at least 60 seconds.

(b) Check for DTCs.

Body Electrical > SRS Airbag > Trouble Codes

Result

Proceed to

B009783 is output

A

B009283 is output

B

B009283 and B009783 are not output

C

HINT:

Codes other than DTCs B009283 and B009783 may be output at this time, but they are not related to this check.

(c) Turn the ignition switch off.

(d) Disconnect the cable from the negative (-) battery terminal.

CAUTION:

Wait at least 60 seconds after disconnecting the cable from the negative (-) battery terminal to disable the SRS system.

(e) Return the No. 1 side airbag sensor RH and LH to their original positions and connect the connectors.

A

REPLACE AIRBAG ECU ASSEMBLY

B

REPLACE SIDE AIR BAG SENSOR NO.1

C

USE SIMULATION METHOD TO CHECK

    READ NEXT:

     Right Side Restraints Sensor 2 Signal Below Allowable Range (B009784)

    DESCRIPTION DTC No. Detection Item DTC Detection Condition Trouble Area Warning Indicate Test Mode / Check Mode B009784 Right Side Restraints Sensor 2 Signal Below Allo

     Right Side Restraints Sensor 2 Signal Above Allowable Range (B009785)

    DESCRIPTION DTC No. Detection Item DTC Detection Condition Trouble Area Warning Indicate Test Mode / Check Mode B009785 Right Side Restraints Sensor 2 Signal Above Allo

     Right Side Restraints Sensor 2 Missing Message (B009787)

    DESCRIPTION DTC No. Detection Item DTC Detection Condition Trouble Area Warning Indicate Test Mode / Check Mode B009787 Right Side Restraints Sensor 2 Missing Message

    SEE MORE:

     Terminals Of Ecu

    TERMINALS OF ECU DCM (TELEMATICS TRANSCEIVER) Terminal No. (Symbol) Terminal Description Condition Specified Condition I200-1 (+B) - I200-20 (E) Power source (+B) Ignition switch off 11 to 14 V

     Left Electric Parking Brake Actuator Control (C060B00,C060B11)

    DESCRIPTION DTC No. Detection Item DTC Detection Condition Trouble Area Memory Note C060B00 Left Electric Parking Brake Actuator Control Diagnosis Condition: - Malfunction Status:

    © 2020-2025 Copyright www.tcorollacross.com PT NL