Toyota Corolla Cross Owners & Service Manuals

Toyota Corolla Cross: Passenger Seat Occupant Classification Sensor "A" Signal (some circuit quantity, reported via serial data) Invalid (B00C086)

Toyota Corolla Cross (2022-2025) Service Manual / Vehicle Interior / Supplemental Restraint Systems / Occupant Classification System / Passenger Seat Occupant Classification Sensor "A" Signal (some circuit quantity, reported via serial data) Invalid (B00C086)

DESCRIPTION

DTC No.

Detection Item

DTC Detection Condition

Trouble Area

Warning Indicate

Test Mode / Check Mode

B00C086

Passenger Seat Occupant Classification Sensor "A" Signal (some circuit quantity, reported via serial data) Invalid

Either of following conditions is met:

  • The airbag ECU assembly detects a line short, short to ground or B+ in the front occupant classification sensor LH circuit.
  • Front occupant classification sensor LH malfunction
  • Airbag ECU assembly malfunction
  • Harness or connector
  • Front occupant classification sensor LH (Front Seat Cushion Spring Sub-assembly RH)*
  • Airbag ECU assembly

Comes on

Does not apply to test/check mode

  • *: The front occupant classification sensor LH is built into the front seat cushion spring sub-assembly RH.
DTC Detection Conditions:
 

Vehicle Condition

Pattern 1

Pattern 2

Pattern 3

Pattern 4

Pattern 5

Diagnosis Condition

Ignition switch ON

Malfunction Status

The airbag ECU assembly detects a short in the front occupant classification sensor LH circuit.

-

-

-

-

The airbag ECU assembly detects a short to ground in the front occupant classification sensor LH circuit.

-

-

-

-

The airbag ECU assembly detects a short to B+ in the front occupant classification sensor LH circuit.

-

-

-

-

Front occupant classification sensor LH malfunction

-

-

-

-

Airbag ECU assembly malfunction

-

-

-

-

Detection Time

5 seconds

5 seconds

5 seconds

5 seconds

5 seconds

Number of Trips

1 trip

1 trip

1 trip

1 trip

1 trip

HINT:

DTC will be output when conditions for either of the patterns in the table above are met.

WIRING DIAGRAM

CAUTION / NOTICE / HINT

NOTICE:

After the ignition switch is turned off, there may be a waiting time before disconnecting the negative (-) battery terminal.

Click here

HINT:

When disconnecting and reconnecting the battery, there is an automatic learning function that completes learning when the respective system is used.

Click here

HINT:

  • If it is difficult to perform troubleshooting (wire harness inspection), remove the front passenger seat installation bolts to see under the seat cushion.
  • In the above case, lift and hold the seat so that it does not fall down. Hold the seat only as necessary because holding the seat for a long period of time may cause seat rail deformation.

PROCEDURE

1.

CHECK DTC

(a) Check for DTCs.

Body Electrical > SRS Airbag > Trouble Codes

Result

Proceed to

B00C086 and B00C286 are output

A

B00C086 is output

B

B00C086 is not output

C

HINT:

Codes other than DTC B00C086 and B00C286 may be output at this time, but they are not related to this check.

B

GO TO STEP 7

C

USE SIMULATION METHOD TO CHECK

A

2.

CHECK CONNECTION OF CONNECTORS

(a) Turn the ignition switch off.

(b) Disconnect the cable from the negative (-) battery terminal.

CAUTION:

Wait at least 60 seconds after disconnecting the cable from the negative (-) battery terminal to disable the SRS system.

(c) Check that the connectors are properly connected to the airbag ECU assembly, front occupant classification sensor LH and rear occupant classification sensor LH.

OK:

The connectors are properly connected.

NG

CONNECT CONNECTORS PROPERLY

OK

3.

CHECK CONNECTORS

(a) Disconnect the connectors from the airbag ECU assembly, front occupant classification sensor LH and rear occupant classification sensor LH.

(b) Check that the terminals of the connectors are not deformed or damaged.

OK:

The terminals of the connectors are not deformed or damaged.

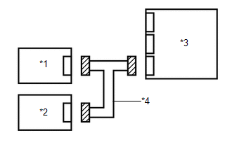
*1

Front Occupant Classification Sensor LH

*2

Rear Occupant Classification Sensor LH

*3

Airbag ECU Assembly

*4

Wire Harness

NG

REPAIR OR REPLACE HARNESS OR CONNECTOR

OK

4.

CHECK HARNESS AND CONNECTOR (AIRBAG ECU ASSEMBLY - FRONT OCCUPANT CLASSIFICATION SENSOR LH - REAR OCCUPANT CLASSIFICATION SENSOR LH)

(a) Measure the resistance according to the value(s) in the table below.

Standard Resistance:

Tester Connection

Condition

Specified Condition

O17-32 (SIG) - j16-2 (SIG)

Always

Below 1 Ω

O17-32 (SIG) - j17-2 (SIG)

Always

Below 1 Ω

*1

Front Occupant Classification Sensor LH

*2

Rear Occupant Classification Sensor LH

*3

Airbag ECU Assembly

*4

Wire Harness

*a

Front view of wire harness connector

(to Airbag ECU Assembly)

*b

Front view of wire harness connector

(to Front Occupant Classification Sensor LH)

*c

Front view of wire harness connector

(to Rear Occupant Classification Sensor LH)

NG

REPAIR OR REPLACE HARNESS OR CONNECTOR

OK

5.

CHECK HARNESS AND CONNECTOR (AIRBAG ECU ASSEMBLY - FRONT OCCUPANT CLASSIFICATION SENSOR LH - REAR OCCUPANT CLASSIFICATION SENSOR LH)

(a) Measure the resistance according to the value(s) in the table below.

Standard Resistance:

Tester Connection

Condition

Specified Condition

O17-32 (SIG) - Other terminals and body ground

Always

10 kΩ or higher

j16-2 (SIG) - Other terminals and body ground

Always

10 kΩ or higher

j17-2 (SIG) - Other terminals and body ground

Always

10 kΩ or higher

*1

Front Occupant Classification Sensor LH

*2

Rear Occupant Classification Sensor LH

*3

Airbag ECU Assembly

*4

Wire Harness

*a

Front view of wire harness connector

(to Airbag ECU Assembly)

*b

Front view of wire harness connector

(to Front Occupant Classification Sensor LH)

*c

Front view of wire harness connector

(to Rear Occupant Classification Sensor LH)

NG

REPAIR OR REPLACE HARNESS OR CONNECTOR

OK

6.

CHECK HARNESS AND CONNECTOR (AIRBAG ECU ASSEMBLY - FRONT OCCUPANT CLASSIFICATION SENSOR LH - REAR OCCUPANT CLASSIFICATION SENSOR LH)

(a) Connect the cable to the negative (-) battery terminal.

(b) Turn the ignition switch to ON.

(c) Measure the voltage according to the value(s) in the table below.

Standard Voltage:

Tester Connection

Switch Condition

Specified Condition

O17-32 (SIG) - Body ground

Ignition switch ON

Below 1 V

j16-2 (SIG) - Body ground

Ignition switch ON

Below 1 V

j17-2 (SIG) - Body ground

Ignition switch ON

Below 1 V

Result:

Proceed to

OK

NG

*1

Front Occupant Classification Sensor LH

*2

Rear Occupant Classification Sensor LH

*3

Airbag ECU Assembly

*4

Wire Harness

*a

Front view of wire harness connector

(to Airbag ECU Assembly)

*b

Front view of wire harness connector

(to Front Occupant Classification Sensor LH)

*c

Front view of wire harness connector

(to Rear Occupant Classification Sensor LH)

(d) Turn the ignition switch off.

(e) Disconnect the cable from the negative (-) battery terminal.

CAUTION:

Wait at least 60 seconds after disconnecting the cable from the negative (-) battery terminal to disable the SRS system.

OK

REPLACE AIRBAG ECU ASSEMBLY

NG

REPAIR OR REPLACE HARNESS OR CONNECTOR

7.

CHECK CONNECTION OF CONNECTORS

(a) Turn the ignition switch off.

(b) Disconnect the cable from the negative (-) battery terminal.

CAUTION:

Wait at least 60 seconds after disconnecting the cable from the negative (-) battery terminal to disable the SRS system.

(c) Check that the connectors are properly connected to the airbag ECU assembly and front occupant classification sensor LH.

OK:

The connectors are properly connected.

NG

CONNECT CONNECTORS PROPERLY

OK

8.

CHECK CONNECTORS

(a) Disconnect the connectors from the airbag ECU assembly and front occupant classification sensor LH.

(b) Check that the terminals of the connectors are not deformed or damaged.

OK:

The terminals of the connectors are not deformed or damaged.

*1

Front Occupant Classification Sensor LH

*2

Airbag ECU Assembly

*3

Wire Harness

NG

REPAIR OR REPLACE HARNESS OR CONNECTOR

OK

9.

CHECK HARNESS AND CONNECTOR (AIRBAG ECU ASSEMBLY - FRONT OCCUPANT CLASSIFICATION SENSOR LH)

(a) Measure the resistance according to the value(s) in the table below.

Standard Resistance:

Tester Connection

Condition

Specified Condition

O17-32 (SIG) - j16-2 (SIG)

Always

Below 1 Ω

*1

Front Occupant Classification Sensor LH

*2

Airbag ECU Assembly

*3

Wire Harness

*a

Front view of wire harness connector

(to Airbag ECU Assembly)

*b

Front view of wire harness connector

(to Front Occupant Classification Sensor LH)

OK

REPLACE FRONT SEAT CUSHION SPRING SUB-ASSEMBLY RH

NG

REPAIR OR REPLACE HARNESS OR CONNECTOR

    READ NEXT:

     Passenger Seat Occupant Classification Sensor "A" Missing Message (B00C087)

    DESCRIPTION DTC No. Detection Item DTC Detection Condition Trouble Area Warning Indicate Test Mode / Check Mode B00C087 Passenger Seat Occupant Classification Sensor "A

     Passenger Seat Occupant Classification Sensor "A" Component Internal Failure (B00C096)

    DESCRIPTION DTC No. Detection Item DTC Detection Condition Trouble Area Warning Indicate Test Mode / Check Mode B00C096 Passenger Seat Occupant Classification Sensor "A

     Passenger Seat Occupant Classification Sensor "C" Signal Bias Level Out of Range / Zero Adjustment Failure (B00C228)

    DESCRIPTION DTC B00C228 is also stored when the front seat assembly RH is subjected to a strong impact, even if an actual accident did not occur. DTC No. Detection Item DTC Detection Cond

    SEE MORE:

     Installation

    INSTALLATION CAUTION / NOTICE / HINT COMPONENTS (INSTALLATION) Procedure Part Name Code 1 REAR DIFFERENTIAL SUPPORT 52391B - - - 2 REAR NO. 2 DIFFE

     VC Output Circuit

    DESCRIPTION The ECM constantly generates a 5 V power source voltage from the auxiliary battery voltage supplied to the +B, +B2 (BATT) terminals to operate the microprocessor. The ECM also provides this power to the sensors through the VC output circuit. When the VC circuit has a short circuit, th

    © 2020-2025 Copyright www.tcorollacross.com PT NL