Toyota Corolla Cross Owners & Service Manuals

Toyota Corolla Cross: Passenger Frontal Stage 1 Deployment Control Circuit Resistance Below Threshold (B00101A)

Toyota Corolla Cross (2022-2026) Service Manual / Vehicle Interior / Supplemental Restraint Systems / Airbag System / Passenger Frontal Stage 1 Deployment Control Circuit Resistance Below Threshold (B00101A)

DESCRIPTION

DTC No.

Detection Item

DTC Detection Condition

Trouble Area

Warning Indicate

Test Mode / Check Mode

B00101A

Passenger Frontal Stage 1 Deployment Control Circuit Resistance Below Threshold

One of the following conditions is met:

  • The airbag ECU assembly detects a line short in the front passenger side squib circuit for 2 seconds during the primary check.
  • Front passenger side squib (instrument panel passenger without door airbag assembly) malfunction
  • Airbag ECU assembly malfunction
  • Harness or connector
  • Front passenger side squib (Instrument panel passenger without door airbag assembly)
  • Airbag ECU assembly

Comes on

Applies to check mode

DTC Detection Conditions:
 

Vehicle Condition

Pattern 1

Pattern 2

Pattern 3

Diagnosis Condition

During the primary check

Malfunction Status

The airbag ECU assembly detects a line short in the front passenger side squib circuit

-

-

Front passenger side squib (instrument panel passenger without door airbag assembly) malfunction

-

-

Airbag ECU assembly malfunction

-

-

Detection Time

2 seconds

2 seconds

2 seconds

Number of Trips

1 trip

1 trip

1 trip

HINT:

DTC will be output when conditions for either of the patterns in the table above are met.

WIRING DIAGRAM

CAUTION / NOTICE / HINT

NOTICE:

After the ignition switch is turned off, there may be a waiting time before disconnecting the negative (-) battery terminal.

Click here

HINT:

  • When disconnecting and reconnecting the battery, there is an automatic learning function that completes learning when the respective system is used.

    Click here

  • To perform the simulation method, select Check Mode with the GTS.

    Click here

  • Perform the simulation method while checking the Data List.

    Click here

PROCEDURE

1.

CHECK CURRENT DTC

(a) Turn the ignition switch to ON, and wait for at least 60 seconds.

(b) Check for DTCs.

Body Electrical > SRS Airbag > Trouble Codes

Result

Proceed to

Current B00101A is output

A

Current B00101A is not output

B

B

USE SIMULATION METHOD TO CHECK

Click here

HINT:

  • Perform the simulation method by selecting Check Mode using the GTS.

    Click here

  • Perform the simulation method while checking the Data List.

    Click here

A

2.

CHECK CONNECTION OF CONNECTORS

(a) Turn the ignition switch off.

(b) Disconnect the cable from the negative (-) battery terminal.

CAUTION:

Wait at least 60 seconds after disconnecting the cable from the negative (-) battery terminal to disable the SRS system.

(c) Check that the connectors are properly connected to the instrument panel passenger without door airbag assembly and airbag ECU assembly.

OK:

The connectors are properly connected.

NG

CONNECT CONNECTORS PROPERLY

OK

3.

CHECK CONNECTORS

(a) Disconnect the connectors from the instrument panel passenger without door airbag assembly and airbag ECU assembly.

(b) Check that the terminals of the connectors are not deformed or damaged.

OK:

The terminals of the connectors are not deformed or damaged.

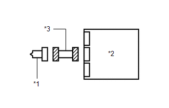
*1

Instrument Panel Passenger without Door Airbag Assembly

*2

Airbag ECU Assembly

*3

Wire Harness

(c) Check that the short springs of the activation prevention mechanisms of the wire harness connector are not deformed or damaged.

OK:

The short springs are not deformed or damaged.

(d) Check that the wire harness connector (on the instrument panel passenger without door airbag assembly side) is not loose, deformed or damaged.

OK:

The airbag connector locking button is not disengaged, and the claw of the lock is not deformed or damaged.

NG

REPAIR OR REPLACE HARNESS OR CONNECTOR

OK

4.

CLEAR DTC

(a) Connect the connector to the airbag ECU assembly.

*1

Instrument Panel Passenger without Door Airbag Assembly

*2

Airbag ECU Assembly

*a

Front view of wire harness connector

(to Instrument Panel Passenger without Door Airbag Assembly)

*b

Color: Orange

(b) Connect the white wire side of SST (resistance 2.1 Ω) to connector C (orange connector).

CAUTION:

Never connect a tester to the instrument panel passenger without door airbag assembly for measurement, as this may lead to a serious injury due to airbag deployment.

NOTICE:

  • Do not forcibly insert SST into the terminals of the connector when connecting it.
  • Insert SST straight into the terminals of the connector.

SST: 09843-18061

(c) Connect the cable to the negative (-) battery terminal.

(d) Turn the ignition switch to ON, and wait for at least 60 seconds.

(e) Clear the DTCs stored in memory.

Body Electrical > SRS Airbag > Clear DTCs

(f) Turn the ignition switch off.

NEXT

5.

CHECK INSTRUMENT PANEL PASSENGER WITHOUT DOOR AIRBAG ASSEMBLY

(a) Turn the ignition switch to ON, and wait for at least 60 seconds.

(b) Check for DTCs.

Body Electrical > SRS Airbag > Trouble Codes

Result

Proceed to

B00101A is not output

A

B00101A is output

B

HINT:

Codes other than DTC B00101A may be output at this time, but they are not related to this check.

(c) Turn the ignition switch off.

(d) Disconnect the cable from the negative (-) battery terminal.

CAUTION:

Wait at least 60 seconds after disconnecting the cable from the negative (-) battery terminal to disable the SRS system.

(e) Disconnect SST from connector C.

A

REPLACE INSTRUMENT PANEL PASSENGER WITHOUT DOOR AIRBAG ASSEMBLY

B

6.

CHECK HARNESS AND CONNECTOR

(a) Disconnect the connector from the airbag ECU assembly.

(b) Check for a short in the circuit.

(1) Release the activation prevention mechanism built into connector B.

HINT:

Click here

(2) Measure the resistance according to the value(s) in the table below.

Standard Resistance:

Tester Connection

Condition

Specified Condition

g1-1 (P+) - g1-2 (P-)

Always

1 MΩ or higher

Result:

Proceed to

OK

NG

(3) Restore the released activation prevention mechanism of connector B to the original condition.

*1

Instrument Panel Passenger without Door Airbag Assembly

*2

Airbag ECU Assembly

*3

Wire Harness

*a

Front view of wire harness connector

(to Instrument Panel Passenger without Door Airbag Assembly)

*b

Color: Orange

NG

REPAIR OR REPLACE HARNESS OR CONNECTOR

OK

7.

CLEAR DTC

(a) Connect the connectors to the instrument panel passenger without door airbag assembly and airbag ECU assembly.

*1

Instrument Panel Passenger without Door Airbag Assembly

*2

Airbag ECU Assembly

(b) Connect the cable to the negative (-) battery terminal.

(c) Turn the ignition switch to ON, and wait for at least 60 seconds.

(d) Clear the DTCs stored in memory.

Body Electrical > SRS Airbag > Clear DTCs

(e) Turn the ignition switch off.

NEXT

8.

CHECK DTC

(a) Turn the ignition switch to ON, and wait for at least 60 seconds.

(b) Check for DTCs.

Body Electrical > SRS Airbag > Trouble Codes

Result

Proceed to

B00101A is not output

A

B00101A is output

B

HINT:

Codes other than DTC B00101A may be output at this time, but they are not related to this check.

A

USE SIMULATION METHOD TO CHECK

Click here

HINT:

  • Perform the simulation method by selecting Check Mode using the GTS.

    Click here

  • Perform the simulation method while checking the Data List.

    Click here

B

REPLACE AIRBAG ECU ASSEMBLY

    READ NEXT:

     Passenger Frontal Stage 2 Deployment Control Circuit Short to Ground (B001111)

    DESCRIPTION DTC No. Detection Item DTC Detection Condition Trouble Area Warning Indicate Test Mode / Check Mode B001111 Passenger Frontal Stage 2 Deployment Control Cir

     Passenger Frontal Stage 2 Deployment Control Circuit Short to Battery (B001112)

    DESCRIPTION DTC No. Detection Item DTC Detection Condition Trouble Area Warning Indicate Test Mode / Check Mode B001112 Passenger Frontal Stage 2 Deployment Control Cir

     Passenger Frontal Stage 2 Deployment Control Circuit Open (B001113)

    DESCRIPTION DTC No. Detection Item DTC Detection Condition Trouble Area Warning Indicate Test Mode / Check Mode B001113 Passenger Frontal Stage 2 Deployment Control Cir

    SEE MORE:

     Fuel Pump "A" Control Circuit Short to Battery (P062712)

    DESCRIPTION The fuel pump control ECU performs PWM (Pulse Width Modulation) control to control the fuel pump (for low pressure side) speed steplessly over a wide range. The fuel pump control ECU controls the speed of the fuel pump (for low pressure side) by switching the current of FPU, FPV and FP

     Drive Motor "A" Inverter Actuator Stuck Open (P0A7872)

    DTC SUMMARY MALFUNCTION DESCRIPTION This DTC is stored when the motor generator control system is malfunctioning and current does not flow as commanded. The cause of this malfunction may be one of the following: Internal inverter malfunction Inverter with converter assembly internal circuit m

    © 2020-2026 Copyright www.tcorollacross.com PT NL