Toyota Corolla Cross Owners & Service Manuals

Toyota Corolla Cross: Load Sensor for Occupant Detection System Circuit Voltage Above Threshold (B179317)

Toyota Corolla Cross (2022-2026) Service Manual / Vehicle Interior / Supplemental Restraint Systems / Occupant Classification System / Load Sensor for Occupant Detection System Circuit Voltage Above Threshold (B179317)

DESCRIPTION

DTC No.

Detection Item

DTC Detection Condition

Trouble Area

Warning Indicate

Test Mode / Check Mode

B179317

Load Sensor for Occupant Detection System Circuit Voltage Above Threshold

When the detected voltage is higher than specified value after supplying power to the sensor.

  • Harness or connector
  • Airbag ECU assembly

Comes on

Does not apply to test/check mode

WIRING DIAGRAM

CAUTION / NOTICE / HINT

NOTICE:

  • After the ignition switch is turned off, there may be a waiting time before disconnecting the negative (-) battery terminal.

    Click here

    HINT:

    When disconnecting and reconnecting the battery, there is an automatic learning function that completes learning when the respective system is used.

    Click here

  • Inspect the fuses for circuits related to this system before performing the following procedure.

HINT:

  • If it is difficult to perform troubleshooting (wire harness inspection), remove the front passenger seat installation bolts to see under the seat cushion.
  • In the above case, lift and hold the seat so that it does not fall down. Hold the seat only as necessary because holding the seat for a long period of time may cause seat rail deformation.

PROCEDURE

1.

CHECK CONNECTION OF CONNECTORS

(a) Turn the ignition switch off.

(b) Disconnect the cable from the negative (-) battery terminal.

CAUTION:

Wait at least 60 seconds after disconnecting the cable from the negative (-) battery terminal to disable the SRS system.

(c) Check that the connectors are properly connected to the airbag ECU assembly, front occupant classification sensor LH and rear occupant classification sensor LH.

OK:

The connectors are properly connected.

NG

CONNECT CONNECTORS PROPERLY

OK

2.

CHECK CONNECTORS

(a) Disconnect the connectors from the airbag ECU assembly, front occupant classification sensor LH and rear occupant classification sensor LH.

(b) Check that the terminals of the connectors are not deformed or damaged.

OK:

The terminals of the connectors are not deformed or damaged.

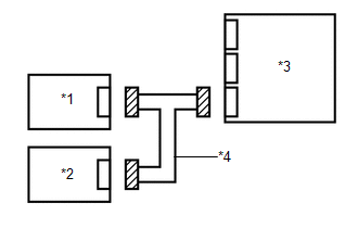
*1

Front Occupant Classification Sensor LH

*2

Rear Occupant Classification Sensor LH

*3

Airbag ECU Assembly

*4

Wire Harness

NG

REPAIR OR REPLACE HARNESS OR CONNECTOR

OK

3.

CHECK HARNESS AND CONNECTOR (AIRBAG ECU ASSEMBLY - BATTERY AND BODY GROUND)

(a) Disconnect the connector from the airbag ECU assembly.

(b) Connect the cable to the negative (-) battery terminal.

(c) Turn the ignition switch to ON.

(d) Operate all components of the electrical systems (defogger, wipers, headlights, heater blower, etc.).

(e) Measure the voltage according to the value(s) in the table below.

Standard Voltage:

Tester Connection

Switch Condition

Specified Condition

I47-36 (IGR) - Body ground

Ignition switch ON

8 to 16 V

Result:

Proceed to

OK

NG

*a

Front view of wire harness connector

(to Airbag ECU Assembly)

(f) Turn the ignition switch off.

(g) Disconnect the cable from the negative (-) battery terminal.

CAUTION:

Wait at least 60 seconds after disconnecting the cable from the negative (-) battery terminal to disable the SRS system.

NG

REPAIR OR REPLACE HARNESS OR CONNECTOR

OK

4.

CHECK HARNESS AND CONNECTOR (AIRBAG ECU ASSEMBLY - FRONT OCCUPANT CLASSIFICATION SENSOR LH - REAR OCCUPANT CLASSIFICATION SENSOR LH)

(a) Connect the cable to the negative (-) battery terminal.

(b) Turn the ignition switch to ON.

(c) Measure the voltage according to the value(s) in the table below.

Standard Voltage:

Tester Connection

Switch Condition

Specified Condition

O17-24 (SVC) - Body ground

Ignition switch ON

Below 1 V

j17-1 (SVC) - Body ground

Ignition switch ON

Below 1 V

j16-1 (SVC) - Body ground

Ignition switch ON

Below 1 V

Result:

Proceed to

OK

NG

*1

Front Occupant Classification Sensor LH

*2

Rear Occupant Classification Sensor LH

*3

Airbag ECU Assembly

*4

Wire Harness

*a

Front view of wire harness connector

(to Airbag ECU Assembly)

*b

Front view of wire harness connector

(to Front Occupant Classification Sensor LH)

*c

Front view of wire harness connector

(to Rear Occupant Classification Sensor LH)

(d) Turn the ignition switch off.

(e) Disconnect the cable from the negative (-) battery terminal.

CAUTION:

Wait at least 60 seconds after disconnecting the cable from the negative (-) battery terminal to disable the SRS system.

OK

REPLACE AIRBAG ECU ASSEMBLY

NG

REPAIR OR REPLACE HARNESS OR CONNECTOR

    READ NEXT:

     Trouble in Passenger Airbag ON/OFF Indicator

    DESCRIPTION The occupant classification system detects the front passenger seat condition. It then displays the instrument panel passenger without door airbag assembly and front seat cushion spring su

     LIN Communication Circuit

    DESCRIPTION Error Code Detection Item DTC Detection Condition Trouble Area 17 FI LIN Communication Lost When a communication malfunction with the load sensor is detected

     Rear Seat Side Airbag Assembly

    SEE MORE:

     Vanity Light

    RemovalREMOVAL CAUTION / NOTICE / HINT COMPONENTS (REMOVAL) Procedure Part Name Code 1 VANITY LIGHT ASSEMBLY 81340 - - CAUTION / NOTICE / HINT HINT: Use the same procedure for the RH side and LH side. The following procedure

     Problem Symptoms Table

    PROBLEM SYMPTOMS TABLE HINT: Use the table below to help determine the cause of the problem symptom. If multiple suspected areas are listed, the potential causes of the symptoms are listed in order of probability in the "Suspected Area" column of the table. Check each symptom by ch

    © 2020-2026 Copyright www.tcorollacross.com PT NL