Toyota Corolla Cross Owners & Service Manuals

Toyota Corolla Cross: Engine Coolant Temperature Sensor 1 Circuit Short to Battery or Open (P011515)

Toyota Corolla Cross (2022-2026) Service Manual / Engine & Hybrid System / M20a-fks (engine Control) / Sfi System / Engine Coolant Temperature Sensor 1 Circuit Short to Battery or Open (P011515)

DESCRIPTION

Refer to DTC P011511.

Click here

HINT:

When DTC P011515 is stored, the ECM enters fail-safe mode. During fail-safe mode, the engine coolant temperature is estimated to be 80°C (176°F) by the ECM. Fail-safe mode continues until a pass condition is detected.

DTC No.

Detection Item

DTC Detection Condition

Trouble Area

MIL

Note

P011515

Engine Coolant Temperature Sensor 1 Circuit Short to Battery or Open

Diagnosis condition:

  • Ignition switch ON

Abnormal condition:

  • The engine coolant temperature sensor output voltage is higher than 4.91 V.

Malfunction time:

  • 0.5 seconds or more

Trip logic:

  • 1 trip detection logic

Detection conditions:

  • Continuous

Sensors/components used for detection:

  • Engine coolant temperature sensor
  • Open or short in engine coolant temperature sensor circuit
  • Engine coolant temperature sensor
  • ECM

Comes on

  • SAE Code: P0118
  • DTC for Mexico Models: Applies

HINT:

When this DTC is output, check the engine coolant temperature in the Data List. Enter the following menus: Powertrain / Engine / Data List / Coolant Temperature.

DTC No.

Coolant Temperature

Malfunction

P011515

-40°C (-40°F)

  • Short to +B in THW circuit
  • Open in THW circuit
  • Open in ETHW circuit

If the Data List values is normal it may be due to a temporary recovery from the malfunction condition. Check for intermittent problems.

Click here

MONITOR DESCRIPTION

When the ignition switch is turned ON and the output voltage of the engine coolant temperature sensor is higher than 4.91 V for 0.5 seconds or more, the ECM determines that the engine coolant temperature sensor circuit is malfunctioning and illuminates the MIL and stores a DTC.

MONITOR STRATEGY

Related DTCs

P0118: Engine coolant temperature sensor range check (high voltage)

Required Sensors/Components (Main)

Engine coolant temperature sensor

Required Sensors/Components (Related)

-

Frequency of Operation

Continuous

Duration

0.5 seconds

MIL Operation

Immediate

Sequence of Operation

None

TYPICAL ENABLING CONDITIONS

Monitor runs whenever the following DTCs are not stored

None

All of the following conditions are met

-

Auxiliary battery voltage

8 V or higher

Ignition switch

ON

Starter

Off

TYPICAL MALFUNCTION THRESHOLDS

Engine coolant temperature sensor voltage [Engine coolant temperature]

Higher than 4.91 V [Less than -59°C (-74°F)]

CONFIRMATION DRIVING PATTERN

Refer to DTC P011511.

Click here

WIRING DIAGRAM

Refer to DTC P011511.

Click here

CAUTION / NOTICE / HINT

HINT:

Read Freeze Frame Data using the GTS. The ECM records vehicle and driving condition information as Freeze Frame Data the moment a DTC is stored. When troubleshooting, Freeze Frame Data can help determine if the vehicle was moving or stationary, if the engine was warmed up or not, if the air fuel ratio was lean or rich, and other data from the time the malfunction occurred.

PROCEDURE

1.

CHECK TERMINAL VOLTAGE (ENGINE COOLANT TEMPERATURE SENSOR)

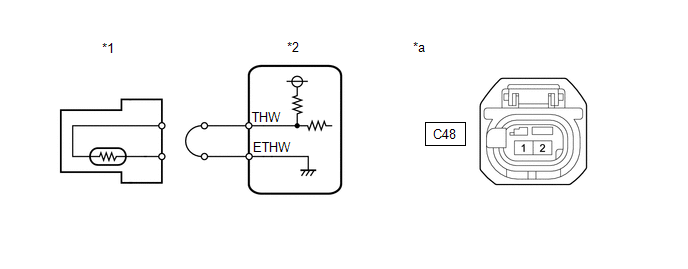
*a

Front view of wire harness connector

(to Engine Coolant Temperature Sensor)

(a) Disconnect the engine coolant temperature sensor connector.

(b) Turn the ignition switch to ON.

(c) Measure the voltage according to the value(s) in the table below.

Standard Voltage:

Tester Connection

Condition

Specified Condition

C48-2 - Body ground

Ignition switch ON

0 to 5.5 V

NG

GO TO STEP 4

OK

2.

READ VALUE USING GTS (COOLANT TEMPERATURE)

*1

Engine Coolant Temperature Sensor

*2

ECM

*a

Front view of wire harness connector

(to Engine Coolant Temperature Sensor)

-

-

(a) Disconnect the engine coolant temperature sensor connector.

(b) Connect terminals 1 and 2 of the engine coolant temperature sensor connector on the wire harness side.

(c) Enter the following menus.

Powertrain > Engine > Data List

Tester Display

Coolant Temperature

(d) According to the display on the GTS, read the Data List.

OK:

GTS Display

Specified Condition

Coolant Temperature

140°C (284°F)

HINT:

Perform "Inspection After Repair" after replacing the engine coolant temperature sensor.

Click here

OK

REPLACE ENGINE COOLANT TEMPERATURE SENSOR

NG

3.

CHECK HARNESS AND CONNECTOR (ENGINE COOLANT TEMPERATURE SENSOR - ECM)

(a) Disconnect the engine coolant temperature sensor connector.

(b) Disconnect the ECM connector.

(c) Measure the resistance according to the value(s) in the table below.

Standard Resistance:

Tester Connection

Condition

Specified Condition

C48-2 - C76-125 (THW)

Always

Below 1 Ω

C48-1 - C76-124 (ETHW)

Always

Below 1 Ω

OK

REPLACE ECM

NG

REPAIR OR REPLACE HARNESS OR CONNECTOR

4.

CHECK HARNESS AND CONNECTOR (ENGINE COOLANT TEMPERATURE SENSOR - ECM)

(a) Disconnect the engine coolant temperature sensor connector.

(b) Disconnect the ECM connector.

(c) Measure the resistance according to the value(s) in the table below.

Standard Resistance:

Tester Connection

Condition

Specified Condition

C48-2 or C76-125 (THW) - Other terminals

Always

10 kΩ or higher

OK

REPLACE ECM

NG

REPAIR OR REPLACE HARNESS OR CONNECTOR

    READ NEXT:

     Engine Coolant Temperature Sensor 1 Signal Stuck in Range (P01152A)

    DESCRIPTION Refer to DTC P011511. Click here DTC No. Detection Item DTC Detection Condition Trouble Area MIL Note P01152A Engine Coolant Temperature Sensor 1 Signal

     Throttle / Pedal Position Sensor / Switch "A" Circuit Short to Ground (P012011)

    DESCRIPTION The throttle position sensor is built into the throttle body with motor assembly and detects the opening angle of the throttle valve. This sensor is a non-contact type sensor. It uses Hall

     Throttle / Pedal Position Sensor / Switch "A" Circuit Short to Battery or Open (P012015)

    DESCRIPTION Refer to DTC P012011. Click here DTC No. Detection Item DTC Detection Condition Trouble Area MIL Note P012015 Throttle / Pedal Position Sensor / Switch

    SEE MORE:

     Terminals Of Ecu

    TERMINALS OF ECU CHECK TIRE PRESSURE WARNING ECU AND RECEIVER *A w/ Smart Key System *B w/o Smart Key System *a Front view of wire harness connector (to Tire Pressure Warning ECU and Receiver) - -

     Lost Communication with Cruise Control Front Distance Range Sensor Single Sensor or Center Missing Message (U023587)

    DESCRIPTION The forward recognition camera communicates with the millimeter wave radar sensor assembly via CAN communication line. If communication with the millimeter wave radar sensor assembly stops, the forward recognition camera stores DTC U023587. DTC No. Detection

    © 2020-2026 Copyright www.tcorollacross.com PT NL